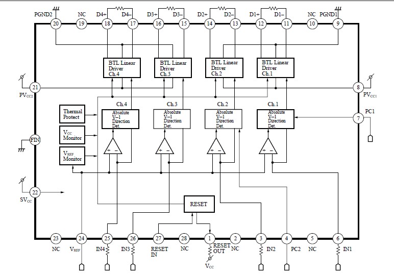
Product Summary
The AN8785SB-E1 is a linear driver IC for CD/CD-ROM. It is employs 4ch. H-bridge system that is suitable for driver or actuator of CD player. Also it employs the surface mounting type package superior in radiation characteristics. Application is CD player, CD-ROM, for drive of motor.
Parametrics
AN8785SB-E1 absolute maximum ratings: (1)Supply Voltage: 20 V; (2)Power Dissipation Note): 3140 mW; (3)Output current: 500 mA; (4)Operating Ambient Temperature: -30 to +85 ℃; (5)Storage Temperature: -55 to 150 ℃.
Features
AN8785SB-E1 features: (1)Wide output D-range is available regardless of reference voltage on the system; (2)4 ch. BTL Driver built-in. Particularly suitable for driver of actuator or motor of 5 to 20 load; (3)2 ch. independently controllable PC (Power Cut)feature, and 4 ch. simultaneously controllable PC feature built-in; (4)Thermal shut down circuit (with hysteresis)built-in; (5)Control for proper heat of IC by separating the power supplies for signal line and output line; (6)Provided with reset output pin; (7)Shot brake mode.
Diagrams

(China (Mainland))






