Product Summary
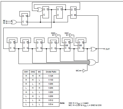
The MB508PF-G-BND-TF is a 2.3GHz two modulus prescaler used with a frequency synthesizer to form a Phase Locked Loop (PLL) and divides the input frequency by a modulus of 128/130, 256/258 or 512/514. The output level is 1.6V peak to peak ECL level. The ultra high frequency operation provides wide application, such as Direct Broadcasting Satellite System, CATV system, UHF Transceiver, etc.
Parametrics
MB508PF-G-BND-TF absolute maximum ratings: (1)Power Supply Voltage: –0.5 to +7.0 V; (2)Input Voltage: –0.5 to VCC V; (3)Output Current: 10 mA; (4)Operating Temperature: –40 to +85 °C; (5)Storage Temperature: –55 to +125 °C.
Features
MB508PF-G-BND-TF features: (1)High Frequency Operation: f = 2.3GHz max. (PIN = –4dBm min.); (2)Input Signal Amplitude: VIN = 100mVp–p (fIN = 100MHz to 1.8GHz); (3)Pulse Swallow Function: 128/130, 256/258, 512/514; (4)Power Dissipation: 120mW typ; (5)Wide Operation Temperature: -40°C to +85°C; (6)Stable Output Amplitude: VOUT = 1.6Vp–p typ; (7)Complete PLL synthesizer circuit with the Fujitsu MB87001A, PLL synthesizer system block IC; (8)Standard Plastic 8-pin Dual-In-Line Package or Flat Package.
Diagrams

(China (Mainland))






