Product Summary
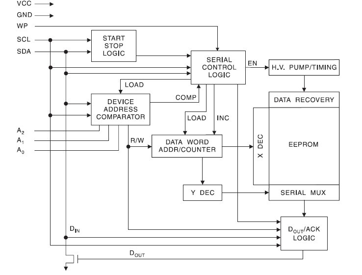
The at24c08n-10sc is a 2-Wire Serial EEPROM. The at24c08n-10sc provides serial electrically erasable and programmable read-only memory (EEPROM) organized as 128/256/512/1024/2048 words of 8 bits each. The at24c08n-10sc is optimized for use in many industrial and commercial applications where low-power and low-voltage operation are essential.
Parametrics
at24c08n-10sc absolute maximum ratings: (1)Operating Temperature: –55°C to +125°C; (2)Storage Temperature : –65°C to +150°C; (3)Voltage on Any Pin with Respect to Ground : –1.0V to +7.0V; (4)Maximum Operating Voltage : 6.25V; (5)DC Output Current: 5.0 mA.
Features
at24c08n-10sc features: (1)Internally Organized 128 x 8 (1K), 256 x 8 (2K), 512 x 8 (4K), 1024 x 8 (8K)or 2048 x 8 (16K); (2)Two-wire Serial Interface; (3)Schmitt Trigger, Filtered Inputs for Noise Suppression; (4)Bidirectional Data Transfer Protocol; (5)100 kHz (1.8V)and 400 kHz (2.7V, 5V)Compatibility; (6)Write Protect Pin for Hardware Data Protection; (7)8-byte Page (1K, 2K), 16-byte Page (4K, 8K, 16K)Write Modes; (8)Partial Page Writes Allowed; (9)Self-timed Write Cycle (5 ms max); (10)Automotive Grade and Lead-free/Halogen-free Devices Available; (11)8-lead PDIP, 8-lead JEDEC SOIC, 8-lead MAP, 5-lead SOT23, 8-lead TSSOP and 8-ball dBGA2 Packages; (12)Die Sales: Wafer Form, Waffle Pack and Bumped Wafers.
Diagrams

| Image | Part No | Mfg | Description | ![]() |
Pricing (USD) |
Quantity | ||||
|---|---|---|---|---|---|---|---|---|---|---|
![]() |
![]() AT24C08N-10SC |
![]() Atmel |
![]() IC SEEPROM 8K SO-8 |
![]() Data Sheet |
![]() Negotiable |
|
||||
![]() |
![]() AT24C08N-10SC-1.8 |
![]() Atmel |
![]() EEPROM 8k 2-Wire Bus |
![]() Data Sheet |
![]() Negotiable |
|
||||
![]() |
![]() AT24C08N-10SC-2.7 |
![]() Atmel |
![]() EEPROM 8K (1Kx8) 2.7V |
![]() Data Sheet |
![]() Negotiable |
|
||||
![]() |
![]() AT24C08N-10SC-2.5 |
![]() Atmel |
![]() IC SEEPROM 8K 2.5V SO-8 |
![]() Data Sheet |
![]() Negotiable |
|
||||
(China (Mainland))










