Product Summary
The AO4405 is a P-channel enhancement mode field effect transistor. The AO4405 uses advanced trench technology to provide excellent RDS(ON) with low gate charge. This device is suitable for use as a load switch or in PWM applications. AO4405L( Green Product ) is offered in a lead-free package.
Parametrics
AO4405 absolute maximum ratings: (1)Drain-Source Voltage: -30 V; (2)Gate-Source Voltage: ±20 V; (3)Continuous Drain TA=25°C: -6.0 A; (4)Current A TA=70°C: -5.1 A; (5)Pulsed Drain Current: -30 A; (6)Power Dissipation TA=25°C: 3 W; (7)Power Dissipation TA=70°C: 2.1 W; (8)Junction and Storage Temperature Range: -55 to 150 °C.
Features
AO4405 features: (1)VDS (V)= -30V; (2)ID = -6.0A; (3)RDS(ON)< 50mΩ (VGS = -10V); (4)RDS(ON)< 85mΩ (VGS = -4.5V).
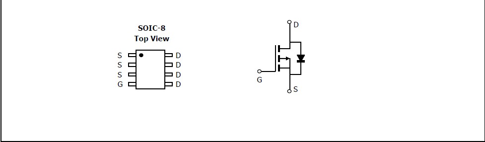
Diagrams

| Image | Part No | Mfg | Description | ![]() |
Pricing (USD) |
Quantity | ||||
|---|---|---|---|---|---|---|---|---|---|---|
![]() |
![]() AO4405 |
![]() Other |
![]() |
![]() Data Sheet |
![]() Negotiable |
|
||||
![]() |
![]() AO4405L |
![]() Other |
![]() |
![]() Data Sheet |
![]() Negotiable |
|
||||
(China (Mainland))









