Product Summary
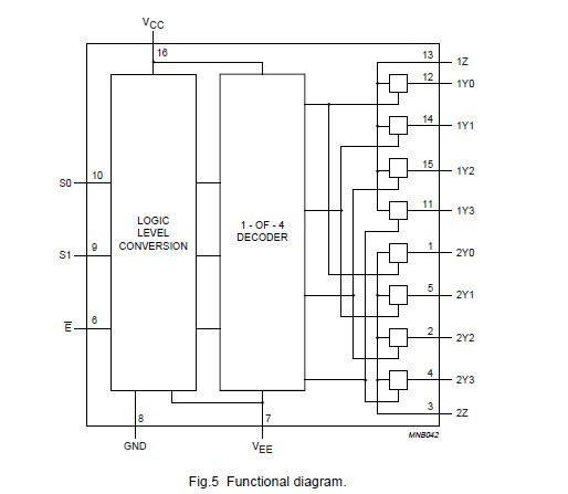
The 74hc4052pw is a high-speed Si-gate CMOS device and is pin compatible with the HEF4052B. It is specified in compliance with JEDEC standard no. 7A. The 74hc4052pw is dual 4-channel analog multiplexer or demultiplexer with common select logic. Each multiplexer has four independent inputs/outputs (pins nY0 to nY3) and a common input/output (pin nZ). The common channel select logics include two digital select inputs (pins S0 and S1) and an active LOW enable input (pin E). When pin E = LOW, one of the four switches is selected (low-impedance ON-state) with pins S0 and S1. When pin E = HIGH, all switches are in the high-impedance OFF-state, independent of pins S0 and S1.
Parametrics
74hc4052pw absolute maximum ratings: (1)supply voltage, VCC - GND, VCC: 4.5 to 5.5V; (2)supply voltage, VCC - VEE, VCC: 2.0 to 10.0V; (3)input voltage, VI: GND to VCC V; (4)switch voltage, VS: VEE to VCC V; (5)operating ambient temperature, Tamb: -40 to +85℃.
Features
74hc4052pw features: (1)Wide analog input voltage range from -5V to +5V; (2)Low ON-resistance; (3)Logic level translation: to enable 5V logic to communicate with ±5V analog signals; (4)Typical break before make built in; (5)Complies with JEDEC standard no. 7A; (6)ESD protection; (7)Specified from -40℃ to +85℃ and -40℃ to +125℃.
Diagrams

| Image | Part No | Mfg | Description | ![]() |
Pricing (USD) |
Quantity | ||||||||||||
|---|---|---|---|---|---|---|---|---|---|---|---|---|---|---|---|---|---|---|
![]() |
![]() 74HC4052PW |
![]() NXP Semiconductors |
![]() Multiplexer Switch ICs DUAL 4CH MUX/DMUX |
![]() Data Sheet |
![]() Negotiable |
|
||||||||||||
![]() |
![]() 74HC4052PW,112 |
![]() NXP Semiconductors |
![]() Multiplexer Switch ICs DUAL 4CH MUX/DMUX |
![]() Data Sheet |
![]()
|
|
||||||||||||
![]() |
![]() 74HC4052PW,118 |
![]() NXP Semiconductors |
![]() Multiplexer Switch ICs DUAL 4-CHANNEL ANALOG MUX/DMUX |
![]() Data Sheet |
![]()
|
|
||||||||||||
(China (Mainland))









