Product Summary
The 2sc3325-y is Toshiba transistor silicon NPN epitaxial type (PCT Process) . Applications of the 2SC3325-Y include: audio frequency low power amplifier, driver stage amplifier and swithcing.
Parametrics
2sc3325-y absolute maximum ratings: (1) (1) Collector-base voltage VCBO: 50V; (2) Collector-emitter voltage VCEO: 50V; (3) Emitter-base voltage VEBO: 5V; (4) Collector current Ic: 500mA; (5) Base current IB: 50mA; (6) Collector power dissipation Pc: 200mW; (7) Junction temperature Tj: 150°C; (8) Sotrage temperature range Tstg: -55 to +150°C.
Features
2sc3325-y features: (1) excellent hFE linearity: hFE(2) =25 (min.) (VCE=6V, Ic=400mA) ; (2) high voltage: VCEO-50V (min.) ; (3) Complementary to 2SA1313; (4) small package.
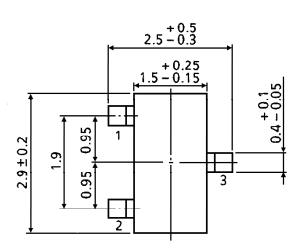
Diagrams

(China (Mainland))






