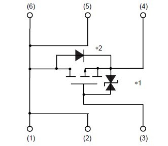
Product Summary
The RSQ030P03 TR is a DC-DC converter.
Parametrics
RSQ030P03 TR absolute maximum ratings: (1)Drain-source voltage: 30V; (2)Gate-source voltage: 20V; (3)Drain current: 12A; (4)Source current: 4A; (5)Total power dissipation: 1.25W; (6)Channel temperature: 150°C; (7)Range of Storage temperature: -55 to 150°C.
Features
RSQ030P03 TR features: (1)Low On-resistance.(90mΩ at 4.5V); (2)High Power Package; (3)High speed switching; (4)Low voltage drive.(4.5V).
Diagrams

(China (Mainland))






