Product Summary
The 2SB1198KT146R is a low-frequency transistor.
Parametrics
2SB1198KT146R absolute maximum ratings: (1)collector-base voltage: -80 V; (2)collector-emitter voltage: -80 V; (3)emitter-base voltage: -5 V; (4)collector current: -0.5 A; (5)collector power dissipation: 0.2 W; (6)junction temperature: 150 ℃; (7)storage temperature: -55 to +150 ℃.
Features
2SB1198KT146R features: (1)Low VCE(sat) VCE(sat) = -0.2V (Typ.) (IC / IB = -0.5A / -50mA); (2)High breakdown voltage, BVCEO = -80V; (3)Complements the 2SD1782K.
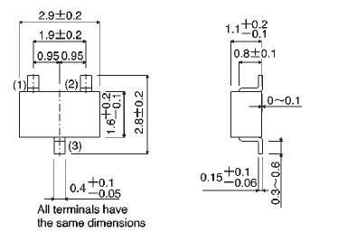
Diagrams

| Image | Part No | Mfg | Description | ![]() |
Pricing (USD) |
Quantity | ||||||||||||
|---|---|---|---|---|---|---|---|---|---|---|---|---|---|---|---|---|---|---|
![]() |
![]() 2SB1198KT146R |
![]() ROHM Semiconductor |
![]() Transistors Bipolar (BJT) PNP 80V 0.5A |
![]() Data Sheet |
![]()
|
|
||||||||||||
| Image | Part No | Mfg | Description | ![]() |
Pricing (USD) |
Quantity | ||||||||||||
![]() |
![]() 2SB1000 |
![]() Other |
![]() |
![]() Data Sheet |
![]() Negotiable |
|
||||||||||||
![]() |
![]() 2SB1000A |
![]() Other |
![]() |
![]() Data Sheet |
![]() Negotiable |
|
||||||||||||
![]() |
![]() 2SB1001 |
![]() Other |
![]() |
![]() Data Sheet |
![]() Negotiable |
|
||||||||||||
![]() |
![]() 2SB1002 |
![]() Other |
![]() |
![]() Data Sheet |
![]() Negotiable |
|
||||||||||||
![]() |
![]() 2SB1005 |
![]() Other |
![]() |
![]() Data Sheet |
![]() Negotiable |
|
||||||||||||
![]() |
![]() 2SB1007 |
![]() Other |
![]() |
![]() Data Sheet |
![]() Negotiable |
|
||||||||||||
(China (Mainland))










