Product Summary
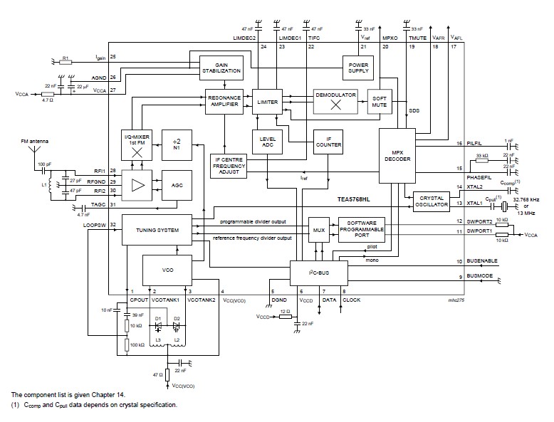
The TEA5768HL is a single-chip electronically tuned FM stereo radio for low-voltage applications with fully integrated IF selectivity and demodulation. The TEA5768HL is completely adjustment-free and only requires a minimum of small and low cost external components. The TEA5768HL can be tuned to the European, US and Japanese FM bands.
Parametrics
TEA5768HL absolute maximum ratings: (1)VVCOTANK1, VCO tuned circuit output voltage 1: -0.3 to +8 V; (2)VVCOTANK2, VCO tuned circuit output voltage 2: -0.3 to +8 V; (3)VCCD, digital supply voltage: -0.3 to +5 V; (4)VCCA, analog supply voltage: -0.3 to +8 V; (5)Tstg, storage temperature: -55 to +150 °C; (6)Tamb, ambient temperature: -10 to +75 °C; (7)Ves, electrostatic handling voltage for all pins except pin DATA, note 1: -200 to +200 V; note 2: -2000 to +2000 V; (8)Ves, electrostatic handling voltage for pin DATA, note 1: -150 to +200 V; note 2: -2000 to +2000 V.
Features
TEA5768HL features: (1)High sensitivity due to integrated low-noise RF input amplifier; (2)FM mixer for conversion to IF of the US/Europe (87.5 MHz to 108 MHz)and Japanese (76 MHz to 91 MHz)FM band; (3)Preset tuning to receive Japanese TV audio up to 108 MHz; (4)RF Automatic Gain Control (AGC)circuit; (5)LC tuner oscillator operating with low cost fixed chip inductors; (6)FM IF selectivity performed internally; (7)No external discriminator needed due to fully integrated FM demodulator; (8)Crystal reference frequency oscillator; the oscillator operates with a 32.768 kHz clock crystal or with a 13 MHz crystal and with an externally applied 6.5 MHz reference frequency; (9)PLL synthesizer tuning system; (10)I2C-bus; (11)7-bit IF counter output via the I2C-bus; (12)4-bit level information output via the I2C-bus; (13)Soft mute.
Diagrams

| Image | Part No | Mfg | Description | ![]() |
Pricing (USD) |
Quantity | ||||
|---|---|---|---|---|---|---|---|---|---|---|
![]() |
![]() TEA5768HL |
![]() Other |
![]() |
![]() Data Sheet |
![]() Negotiable |
|
||||
![]() |
![]() TEA5768HL/V2,157 |
![]() NXP Semiconductors |
![]() Tuners LO-PWR FM STEREO |
![]() Data Sheet |
![]() Negotiable |
|
||||
![]() |
![]() TEA5768HLBD |
![]() NXP Semiconductors |
![]() Tuners LO-PWR FM STEREO RADIO |
![]() Data Sheet |
![]() Negotiable |
|
||||
![]() |
![]() TEA5768HL2FE |
![]() |
![]() IC FM STEREO LOW POWER 32LQFP |
![]() Data Sheet |
![]() Negotiable |
|
||||
(China (Mainland))











