Product Summary
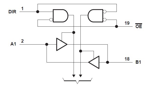
The sn74hct245pwr is an octal bus transceiver with 3-state output. It is designed for asynchronous two-way communication between data buses. The control-function implementation minimizes external timing requirements.
Parametrics
sn74hct245pwr absolute maxing ratings: (1)Supply voltage range, VCC: -0.5V to 7V; (2)Input clamp current, IIK (VI < 0 or VI > VCC): ±20 mA; (3)Output clamp current, IOK (VO < 0 or VO > VCC): ±20 mA; (4)Continuous output current, IO (VO = 0 to VCC): ±35 mA; (5)Continuous current through VCC or GND: ±70 mA; (6)Package thermal impedance, θJA: DB package: 70℃/W; DW package: 58℃/W; N package: 69℃/W; NS package: 60℃/W; PW package: 83℃/W; (7)Storage temperature range, Tstg: -65℃ to 150℃.
Features
sn74hct245pwr features: (1)Operating Voltage Range of 4.5 V to 5.5 V; (2)High-Current 3-State Outputs Drive Bus Lines Directly or Up To 15 LSTTL Loads; (3)Low Power Consumption, 80-μA Max ICC; (4)Typical tpd = 14 ns; (5)±6-mA Output Drive at 5 V; (6)Low Input Current of 1 μA Max; (7)Inputs Are TTL-Voltage Compatible.
Diagrams

| Image | Part No | Mfg | Description | ![]() |
Pricing (USD) |
Quantity | ||||||||||||
|---|---|---|---|---|---|---|---|---|---|---|---|---|---|---|---|---|---|---|
![]() |
![]() SN74HCT245PWR |
![]() Texas Instruments |
![]() Bus Transceivers Tri-State Octal Bus |
![]() Data Sheet |
![]()
|
|
||||||||||||
![]() |
![]() SN74HCT245PWRE4 |
![]() Texas Instruments |
![]() Bus Transceivers Octal Bus Trnscvrs With 3-State Outputs |
![]() Data Sheet |
![]()
|
|
||||||||||||
![]() |
![]() SN74HCT245PWRG4 |
![]() Texas Instruments |
![]() Bus Transceivers Octal Bus Trnscvrs With 3-State Outputs |
![]() Data Sheet |
![]()
|
|
||||||||||||
(China (Mainland))









