Product Summary
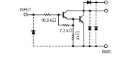
The uln2804afwg(5.s.m) is a high-voltage, high-current darlington driver comprised of eight NPN darlington pair. All units feature integral clamp diodes for switching inductive loads. Applications include relay, hammer, lamp and display (LED) drivers. The suffix (G) appended to the part number represents a lead (Pb)-free product.
Parametrics
uln2804afwg(5.s.m) absolute maximum ratings: (1)Output sustaining voltage, VCE (SUS): -0.5 to 50 V; (2)Output current, IOUT: 500 mA / ch; (3)Input voltage, VIN: -0.5 to 30 V; (4)Clamp diode reverse voltage, VR: 50 V; (5)Clamp diode forward current IF: 500 mA; (6)Power dissipation, APG, PD: 1.47 W; AFWG, PD: 0.92 / 1.31 (Note)W; (7)Operating temperature, Topr: -40 to 85 °C; (8)Storage temperature, Tstg: -55 to 150 °C.
Features
uln2804afwg(5.s.m) features: (1)Output current (single output)500 mA (Max.); (2)High sustaining voltage output 50 V (Min.); (3)Output clamp diodes; (4)Inputs compatible with various types of logic.; (5)Package Type-APG : DIP-18pin; (6)Package Type-AFWG : SOL-18pin.
Diagrams

 (China (Mainland))
 (China (Mainland)) 
                         
                        
 
                                    




