Product Summary
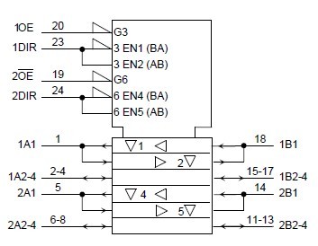
The tc7mp3245ftg is a dual supply, advanced high-speed CMOS 8-bit dual supply voltage interface bus transceiver fabricated with silicon gate CMOS technology. The tc7mp3245ftg is also designed with over voltage tolerant inputs and outputs up to 3.6 V. The direction of data transmission is determined by the level of the DIR input. The enable input (OE ) can be used to disable the device so that the buses are effectively isolated. All inputs are equipped with protection circuits against static discharge or transient excess voltage.
Parametrics
tc7mp3245ftg absolute maximum ratings: (1)Power supply voltage (Note 2)VCCB: -0.5 to 4.6 V; (2)DC input voltage (DIR, OE )VIN: -0.5 to 4.6 V; (3)Input diode current IIK: 50 mA; (4)Output diode current II/OK: ±50 mA, IOUTA: ±25mA; (5)DC output current IOUTB: ±25 mA, ICCA ±50mA; (6)DC VCC/ground current per supply pin ICCB: ±50 mA; (7)Power dissipation PD: 180 mW; (8)Storage temperature Tstg: -65 to 150 °C.
Features
tc7mp3245ftg features: (1)Bidirectional interface between 1.2-V and 1.8-V, 1.2-V and 2.5-V, 1.2-V and 3.3-V, 1.5-V and 2.5-V, 1.5-V and 3.3-V, 1.8-V and 2.5-V, 1.8-V and 3.3-V or 2.5-V and 3.3-V buses; (2)High-speed operation; (3)Output current : IOH/IOL = ±12 mA (min)(VCC = 3.0 V); IOH/IOL = ±9 mA (min)(VCC = 2.3 V); IOH/IOL = ±3 mA (min)(VCC = 1.65 V); IOH/IOL = ±1 mA (min)(VCC = 1.4 V); (4)Latch-up performance: ±300 mA; (5)ESD performance: Machine model ≥ ±200 V, Human body model ≥ ±2000 V; (6)Ultra-small package: VQON24; (7)Low current consumption : Using the new circuit significantly reduces current consumption when OE = “H”; (8)Floating A-bus and B-bus are permitted.
Diagrams

| Image | Part No | Mfg | Description | ![]() |
Pricing (USD) |
Quantity | ||||||||||||
|---|---|---|---|---|---|---|---|---|---|---|---|---|---|---|---|---|---|---|
![]() |
![]() TC7MP3245FTG |
![]() Toshiba |
![]() Bus Transceivers Bus Transceiver |
![]() Data Sheet |
![]()
|
|
||||||||||||
| Image | Part No | Mfg | Description | ![]() |
Pricing (USD) |
Quantity | ||||||||||||
![]() |
![]() TC7MB3257CFK-EL(M) |
![]() Toshiba |
![]() Bus Transceivers Low Cap Quad 8.5pF 4.0V to 5.5V VCC |
![]() Data Sheet |
![]()
|
|
||||||||||||
![]() |
![]() TC7MB3245CFT-EL(M) |
![]() Toshiba |
![]() Bus Transceivers Low Cap Octal 7pF 4.0V to 5.5V VCC |
![]() Data Sheet |
![]()
|
|
||||||||||||
![]() |
![]() TC7MB3257CFT-EL(M) |
![]() Toshiba |
![]() Bus Transceivers Low Cap Quad 8.5pF 4.0V to 5.5V VCC |
![]() Data Sheet |
![]()
|
|
||||||||||||
![]() |
![]() TC7MB3245CFK-EL(M) |
![]() Toshiba |
![]() Bus Transceivers Low Cap Octal 7pF 4.0V to 5.5V VCC |
![]() Data Sheet |
![]()
|
|
||||||||||||
![]() |
![]() TC7MB3125CFT-EL(M) |
![]() Toshiba |
![]() Bus Transceivers Low Voltage CMOS 7pF 4.0V to 5.5V VCC |
![]() Data Sheet |
![]()
|
|
||||||||||||
![]() |
![]() TC7MB3125CFK-EL(M) |
![]() Toshiba |
![]() Bus Transceivers Low Voltage CMOS 7pF 4.0V to 5.5V VCC |
![]() Data Sheet |
![]()
|
|
||||||||||||
(China (Mainland))










