Product Summary
The MBM29LV160BE70NC-FS3 is a 16M-bit, 3.0 V-only Flash memory organized as 2M bytes of 8 bits each or 1M words of 16 bits each. TheMBM29LV160BE70NC-FS3 is offered in a 48-pin TSOP (I), 48-pin CSOP and 48-ball FBGA packages. The device is designed to be programmed in-system with the standard system 3.0 V VCC supply. 12.0 V VPP and 5.0 V VCC are not required for write or erase operations. The MBM29LV160BE70NC-FS3 can also be reprogrammed in standard EPROM programmers.
Parametrics
MBM29LV160BE70NC-FS3 absolute maximum ratings: (1)Storage Temperature: –55°C to +125°C; (2)Ambient Temperature with Power Applied: –40°C to +85°C; (3)Voltage with respect to Ground All pins except A9, OE, RESET (Note 1): –0.5 V to VCC+0.5 V; (4)VCC (Note 1): –0.5 V to +5.5 V; (5)A9, OE, and RESET (Note 2): –0.5 V to +13.0 V.
Features
MBM29LV160BE70NC-FS3 features: (1)0.23 mm Process Technology; (2)Single 3.0 V read, program and erase Minimizes system level power requirements; (3)Compatible with JEDEC-standard commands Uses same software commands as E2PROMs; (4)Compatible with JEDEC-standard world-wide pinouts: 48-pin TSOP (I)(Package suffix: TN-Normal Bend Type, TR-Reversed Bend Type); 48-pin CSOP (Package suffix: PCV); 48-ball FBGA (Package suffix: PBT); (5)Minimum 100,000 program/erase cycles; (6)High performance 70 ns maximum access time; (7)Sector erase architecture: One 8K word, two 4K words, one 16K word, and thirty-one 32K words sectors in word mode; One 16K byte, two 8K bytes, one 32K byte, and thirty-one 64K bytes sectors in byte mode; Any combination of sectors can be concurrently erased. Also supports full chip erase.
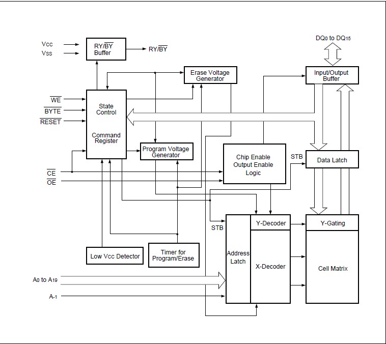
Diagrams

(China (Mainland))






