Product Summary
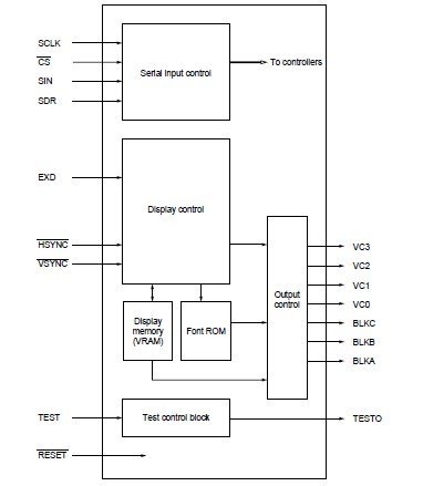
The mb90099pfv-g-121-b is an on-screen display controller for displaying text and graphics on the TV screen. The threechannel output control function, compact package and low voltage operation make the mb90099pfv-g-121-b suitable for onscreen displays in portable devices including camera-integrated VTRs and digital still cameras. The mb90099pfv-g-121-b controls a display area of 28 characters by 12 lines, and provides 1,024 different characters, each composed of 12 × 18 dots. All 1,024 characters in font ROM can be set by the user.
Parametrics
mb90099pfv-g-121-b absolute maximum ratings: (1)Power supply voltage VDD VGND: - 0.5 to VGND + 4.0 V; (2)Input voltage VIN VGND: - 0.5 to VDD + 0.5 V; (3)Output voltage VOUT VGND: - 0.5 to VDD + 0.5 V; (4)Power consumption Pd: 100 mW; (5)Operating temperature Ta: -20 to +70 °C; (6)Storage temperature Tstg: -55 to +150 °C.
Features
mb90099pfv-g-121-b features: (1)Character screen configuration : 28 characters × 12 lines (maximum); (2)Character types : 1,024 characters (integrated in ROM, user definable through the entire area).
Diagrams

(China (Mainland))






