Product Summary
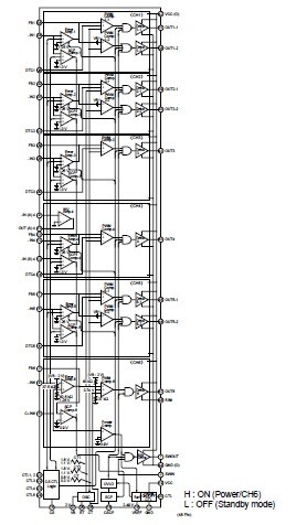
The mb3883pv is a 6-channel step-up/step-down DC/DC converter IC using pulse width modulation (PWM) and synchronous rectification, designed for low voltage, high efficiency, and compact size. The mb3883pv is ideal for up conversion, down conversion, and up/down conversion (using a step-up/step-down Zeta system with free input and output settings). The mb3883pv can operate at low voltage levels, and has a wide supply voltage range from 1.7 V to 9 V. The mb3883pv is available in two packages, an LQFP-48P or a leadless BCC-48P formed with a contact electrode pad only. This is an ideal power supply for high-performance portable devices such as digital still cameras.
Parametrics
mb3883pv absolute maximum ratings: (1)Power supply voltage VCC: 10 V; (2)IO OUT pin: 20 mA; (3)Output current IO OUT pin, Duty≤5%: 200 mA; (4)PD Ta≤+25 °C (LQFP-48P): 860 mW; (5)Power dissipation Ta £ +25 °C (BCC-48P): 710 mW; (6)Storage temperature Tstg: -55 +125 °C.
Features
mb3883pv features: (1)Supports synchronous rectification (CH1, 2, 5); (2)Supports for down-conversion and up/down Zeta conversion (CH1, 2)Supports for up-conversion (CH5); (3)Supports up-conversion (CH3, 4, 6); (4)Low start-up voltage : 1.7 V (CH6); (5)Power supply voltage range : 2.4 V to 9 V (CH6), : 3.6 V to 9 V (CH1 to CH5); (6)Built-in high-precision reference voltage circuit : ±1 %; (7)Wide operating oscillator frequency range with high-frequency capability : 100 kHz to 1 MHz; (8)Error amplifier output for soft start (CH1 to CH6); (9)Totem-pole type output switch control circuit.
Diagrams

(China (Mainland))






