Product Summary
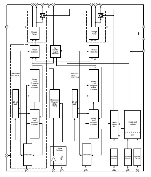
The MB1519PF-G-BND is a 600MHz dual serial input PLL (Phase Locked) frequency synthesizer designed for cellular telephone and cordless telephone applications. The MB1519PF-G-BND has two PLL circuits on a single chip: one for transmit and the other for reception. Separate power supply pins are provided for the transmit and reception PLL circuits. Transmit PLL contains a low sensitivity charge pump for ease of modulation and reception PLL contains a high sensitivity charge pump for faster lock up time.
Parametrics
MB1519PF-G-BND absolute maximum ratings: (1)Power Supply Voltage: -0.5 to 7.0 V; (2)Power Supply Voltage: VCC to 10.0 V; (3)Output Voltage: –0.5 to VCC +0.5 V; (4)Output Current: ±10 mA; (5)Storage Temperature: –55 to +125 °C.
Features
MB1519PF-G-BND features: (1)High operating frequency: fin = 600MHz; (2)Low power supply voltage: VCC = 2.7 to 5.5V; (3)Low power supply current: ICC = 11mA typ, @3V.; (4)Wide operating temperature: TA = –40 to 85°C; (5)Two charge pumps: Low sensitivity charge pump for transmit; High sensitivity charge pump for reception; (6)Plastic 20-pin dual in line package (Suffix: -P); Plastic 20-pin flat package (Suffix: -PF).
Diagrams

(China (Mainland))






