Product Summary
The MAX202CWE is a +5V RS-232 Transceiver. The MAX202CWE is designed for RS-232 and V.28 communication interfaces where ±12V supplies are not available, On-board charge pumps convent the +5V input to the ±10V needed for RS-232 output levels. The MAX201 and MAX209 operate from +5V and +12V, and contain a +12V to -12V charge-pump voltage converter. The applications of the MAX202CWE include computers, Laptops, Palmtops, Notebooks, Battery-Powered equipment, Hand-Held equipment.
Parametrics
MAX202CWE absolute maximum ratings: (1)VCC: -0.3V to 6V; (2)V+: (VCC-0.3V) to +14V; (3)V-: 0.3V to -14V; (4)Input Voltages: TIN: -0.3V to (VCC + 0.3V), RIN: ±30V; (5)Output Voltages: TOUT: (V+ +0.3V) to (V- -0.3V), ROUT: -0.3V to (VCC + 0.3V); (6)Short-Circuit Duration TOUT : Continuous; (7)Continuous Power Dissipation (TA = +70℃): 16-pin SO(derate 10.53mW/℃ above +70℃): 696mW; (8)Operating Temperature Ranges: 0℃ to 70℃; (9)Storage Temperature Range: -65℃ to 160℃; (10)Lead Temperature (soldering, 10sec) : +300℃.
Features
MAX202CWE features: (1)0.1μF to 10μF External Capacltors; (2)120Kbits/sec Data rate; (3)2 receivers Active in shutdown mode; (4)Small 28-pin SSOP Package Uses 60% Less Space than SOIC; (5)Low-Power shutdown Current: 1μA; (6)Designed for RS-232 and V.28 applications; (7)Three-state TTL/CMOS receiver output.
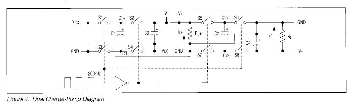
Diagrams
| Image | Part No | Mfg | Description | ![]() |
Pricing (USD) |
Quantity | ||||||||||||
|---|---|---|---|---|---|---|---|---|---|---|---|---|---|---|---|---|---|---|
![]() |
![]() MAX202CWE |
![]() Maxim Integrated Products |
![]() RS-232 Interface IC |
![]() Data Sheet |
![]() Negotiable |
|
||||||||||||
![]() |
![]() MAX202CWE+ |
![]() Maxim Integrated Products |
![]() RS-232 Interface IC 5V RS-232 Tcvr w/0.1uF External Cap |
![]() Data Sheet |
![]()
|
|
||||||||||||
![]() |
![]() MAX202CWE+T |
![]() Maxim Integrated Products |
![]() RS-232 Interface IC 5V RS-232 Tcvr w/0.1uF External Cap |
![]() Data Sheet |
![]()
|
|
||||||||||||
![]() |
![]() MAX202CWE-T |
![]() Maxim Integrated Products |
![]() RS-232 Interface IC |
![]() Data Sheet |
![]() Negotiable |
|
||||||||||||
(China (Mainland))










