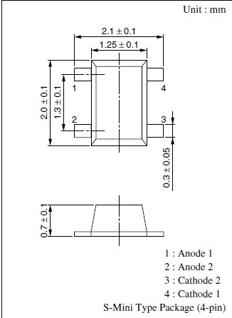
Product Summary
The MA4S159 is a silicon epitaxial planar type.
Parametrics
MA4S159 absolute maximum ratings: (1)Reverse voltage (DC): 80 V; (2)Peak reverse voltage: 80 V; (3)Average forward current Single: 100 mA; (4)Average forward current Double: 75 mA; (5)Peak forward current Single: 225 mA; (6)Peak forward current Double: 170 mA; (7)Non-repetitive peak forward surge current Single: 500 mA; (8)Non-repetitive peak forward surge current Double: 375 mA; (9)Junction temperature: 150 °C; (10)Storage temperature: -55 to +150 °C.
Features
MA4S159 features: (1)Small S-mini type 4-pin package; (2)Two isolated elements contained in one package, allowing highdensity mounting; (3)Flat lead type, resulting in improved mounting efficiency and solderability with the high-speed mounting machine; (4)Short reverse recovery time trr; (5)Small terminal capacitance, Ct.
Diagrams

| Image | Part No | Mfg | Description | ![]() |
Pricing (USD) |
Quantity | ||||
|---|---|---|---|---|---|---|---|---|---|---|
![]() |
![]() MA4S159 |
![]() Other |
![]() |
![]() Data Sheet |
![]() Negotiable |
|
||||
| Image | Part No | Mfg | Description | ![]() |
Pricing (USD) |
Quantity | ||||
![]() |
![]() MA4S111 |
![]() Other |
![]() |
![]() Data Sheet |
![]() Negotiable |
|
||||
![]() |
![]() MA4S11100L |
![]() |
![]() DIODE SWITCH 80V 100MA SSMINI-4 |
![]() Data Sheet |
![]() Negotiable |
|
||||
![]() |
![]() MA4S159 |
![]() Other |
![]() |
![]() Data Sheet |
![]() Negotiable |
|
||||
![]() |
![]() MA4S713 |
![]() Other |
![]() |
![]() Data Sheet |
![]() Negotiable |
|
||||
![]() |
![]() MA4SD01 |
![]() Other |
![]() |
![]() Data Sheet |
![]() Negotiable |
|
||||
![]() |
![]() MA4SD0100L |
![]() |
![]() DIODE SCHOTTKY 30V 30MA SS-MINI |
![]() Data Sheet |
![]() Negotiable |
|
||||
(China (Mainland))









