Product Summary
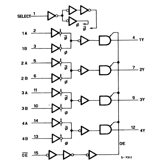
The M74HC257RM13TR is an high speed CMOS quad 2 channel multiplexer (3-state) fabricated with silicon gate C2MOS technology. This IC is composed of an independent 2-channel multiplexer with common SELECT and ENABLE (OE) input.
Parametrics
M74HC257RM13TR absolute maximum ratings: (1)Collector-Emitter Voltage: 1300 V; (2)Collector-Emitter Voltage: 600 V; (3)Emitter-Base Voltage: 5 V; (4)Collector Current-Continuous: 2.5 A; (5)Collector Current-Peak: 3.0 A; (6)Base Current-Continuous: 1.0 A; (7)Collector Power Dissipation @TC=25℃: 36 W; (8)Junction Temperature: 115 ℃; (9)Storage Temperature: -65 to 115 ℃.
Features
M74HC257RM13TR features: (1)Supply Voltage: -0.5 to +7 V; (2)DC Input Voltage: -0.5 to VCC + 0.5 V; (3)DC Output Voltage: -0.5 to VCC + 0.5 V; (4)DC Input Diode Current: ± 20 mA; (5)DC Output Diode Current: ± 20 mA; (6)DC Output Current: ± 35 mA; (7)DC VCC or Ground Current: ± 70 mA; (8)Power Dissipation: 500 mW; (9)Storage Temperature: -65 to +150 °C; (10)Lead Temperature (10 sec): 300 °C.
Diagrams

| Image | Part No | Mfg | Description | ![]() |
Pricing (USD) |
Quantity | ||||||||||||||||
|---|---|---|---|---|---|---|---|---|---|---|---|---|---|---|---|---|---|---|---|---|---|---|
![]() |
![]() M74HC257RM13TR |
![]() STMicroelectronics |
![]() Encoders, Decoders, Multiplexers & Demultiplexers Quad 2-Ch Multiplexr |
![]() Data Sheet |
![]()
|
|
||||||||||||||||
| Image | Part No | Mfg | Description | ![]() |
Pricing (USD) |
Quantity | ||||||||||||||||
![]() |
![]() M74HC00 |
![]() Other |
![]() |
![]() Data Sheet |
![]() Negotiable |
|
||||||||||||||||
![]() |
![]() M74HC00B1R |
![]() STMicroelectronics |
![]() Gates (AND / NAND / OR / NOR) Quad 2-Input NAND |
![]() Data Sheet |
![]()
|
|
||||||||||||||||
![]() |
![]() M74HC00M1R |
![]() |
![]() IC GATE NAND QUAD 2INPUT 14-SOIC |
![]() Data Sheet |
![]()
|
|
||||||||||||||||
![]() |
![]() M74HC00RM13TR |
![]() STMicroelectronics |
![]() Gates (AND / NAND / OR / NOR) Quad 2-Input NAND |
![]() Data Sheet |
![]()
|
|
||||||||||||||||
![]() |
![]() M74HC00TTR |
![]() |
![]() IC GATE NAND QUAD 2INPUT 14TSSOP |
![]() Data Sheet |
![]()
|
|
||||||||||||||||
![]() |
![]() M74HC02 |
![]() Other |
![]() |
![]() Data Sheet |
![]() Negotiable |
|
||||||||||||||||
(China (Mainland))












