Product Summary
The lm393dt is a silicon monolithic intergrated circuit. Application of the lm393dt includes signature series ground sense dual comparator.
Parametrics
lm393dt absolute maximum ratings: (1) supply voltage Vcc-GND: 36V; (2) Power dissipation Pd: 450mW; (3) differential input voltage Vid: ±36V; (4) Common-mode input voltage range Vcim: -0.3 to +36V; (5) Operation temperature range Topr: 0 to 70°C; (6) storage temperature range Tstg: -65 to +150°C; (7) Maximum junction temperature Tjmax: +150°C.
Features
lm393dt features: (1) operating temperature range: 0 to 70°C; (2) open collector output stage; (3) single supply or dual supply; (4) wide range of supply voltage; (5) single supply +2V to +36V; (6) dual supply ±1V to ±18V; (7) low supply curreny: 0.4mA typ; (8) low input bias current 25nA typ; (9) low input offset current ±5nA Typ; (10) common-mode voltage range includes ground; (11) low output saturation voltage 250mv (IO=4mA) ; (12) output compatible with TTL, MOS, CMOS.
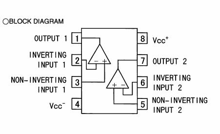
Diagrams

| Image | Part No | Mfg | Description | ![]() |
Pricing (USD) |
Quantity | ||||||||||||
|---|---|---|---|---|---|---|---|---|---|---|---|---|---|---|---|---|---|---|
![]() |
![]() LM393DT |
![]() STMicroelectronics |
![]() Comparator ICs Lo-Pwr Dual Voltage |
![]() Data Sheet |
![]()
|
|
||||||||||||
| Image | Part No | Mfg | Description | ![]() |
Pricing (USD) |
Quantity | ||||||||||||
![]() |
![]() LM3900D |
![]() Texas Instruments |
![]() Operational Amplifiers - Op Amps Quad |
![]() Data Sheet |
![]()
|
|
||||||||||||
![]() |
![]() LM3900DE4 |
![]() Texas Instruments |
![]() Operational Amplifiers - Op Amps Quadruple Oper Amplifier |
![]() Data Sheet |
![]()
|
|
||||||||||||
![]() |
![]() LM3900DG4 |
![]() Texas Instruments |
![]() Operational Amplifiers - Op Amps Quad Op Amp |
![]() Data Sheet |
![]()
|
|
||||||||||||
![]() |
![]() LM3915N-1/NOPB |
![]() National Semiconductor (TI) |
![]() LED Lighting Drivers DOT/BAR DISPLAY DRVR |
![]() Data Sheet |
![]()
|
|
||||||||||||
![]() |
![]() LM3916N-1 |
![]() National Semiconductor (TI) |
![]() LED Lighting Drivers |
![]() Data Sheet |
![]()
|
|
||||||||||||
![]() |
![]() LM392DGKTG4 |
![]() Texas Instruments |
![]() Operational Amplifiers - Op Amps Low-Power |
![]() Data Sheet |
![]()
|
|
||||||||||||
(China (Mainland))










