Product Summary
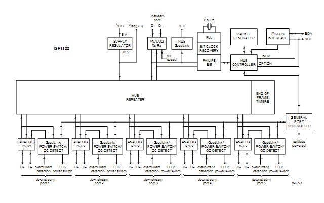
The isp1122bd is a stand-alone Universal Serial Bus (USB) hub device which complies with USB Specifcation Rev. 1.1. The isp1122bd integrates a Serial Interface Engine (SIE) ,hub repeater,hubcontroller,USBdatatransceiversanda3.3Vvoltageregulator. The isp1122bd has a configurable number of downstream ports, ranging from 2 to 5.
Parametrics
isp1122bd absolute maximum ratings: (1) supply voltage Vcc: -0.5 to +6.0V; (2) input voltage Vi: -0.5 to Vcc +0.5V; (3) latchup current: 200mA; (4) electrostatic discharge voltage Vesd: ±4000V; (5) storage temperature Tstg: -60 to +150°C; (6) total power dissipation Ptot: 95mW.
Features
isp1122bd features: (1) High performance USB hub device with integrated hub repeater, hub controller,Serial Interface Engine (SIE), data transceivers and 3.3V voltage regulator; (2) Complies withUniversal Serial Bus Speci?cation Rev. 1.1 and ACPI, OnNow and USB power management requirements; (3) Con?gurable from 2 to 5 downstream ports with automatic speed detection; (4) nternal power-on reset and low voltage reset circuit; (5) Individual or ganged power switching for downstream ports; (6) Individual or global port overcurrent protection with built-in sense circuits; (7) Operating temperature range: -40 to 85°C; (8) 8kV in-circuit ESD protection for lower cost of external components.
Diagrams

(China (Mainland))






