Product Summary
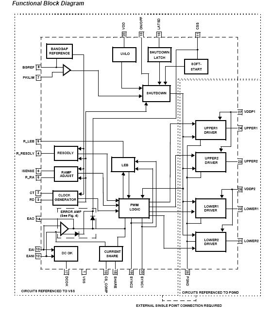
The isl6505cr-t is a zero voltage switching (ZVS) full-bridge PWM controller designed for isolated power systems. This part implements a unique control algorithm for fixed frequency ZVS current mode control, yielding high efficiency with low EMI. The two lower drivers are PWM-controlled on the trailing edge and employ resonant delay while the two upper drivers are driven at a fixed 50% duty cycle. In addition to the isl6505cr-t, other external elements such as transformers, pulse transformers, capacitors, inductors and Schottky or synchronous rectifiers are required for a complete power supply solution. A detailed 200W telecom power supply reference design using the isl6505cr-t with companion Intersil ICs, Supervisor And Monitor ISL6550 and Half-bridge Driver HIP2100, is presented in Application Note AN1002. The applications of the isl6505cr-t include Full-Bridge and Push-Pull Converters, Power Supplies for Off-line and Telecom/Datacom, Power Supplies for High End Microprocessors and Servers.
Parametrics
isl6505cr-t absolute maximum ratings: (1)Supply Voltage VDD, VDDP1, VDDP2: -0.3 to 16V; (2)Enable Inputs (ON/OFF, LATSD): VDD; (3)Power Good Sink Current (IDCOK): 5mA; (4)ESD Rating Human Body Model (Per MIL-STD-883 Method 3015.7): 3kV; (5)Machine Model (Per EIAJ ED-4701 Method C-111): 250V.
Features
isl6505cr-t features: (1)High Speed PWM (up to 1MHz) for ZVS Full Bridge Control; (2)Current Mode Control Compatible; (3)High Current High-Side and Low-Side Totem-Pole Drivers; (4)Adjustable Resonant Delay for ZVS; (5)10MHz Error Amplifier Bandwidth; (6)Programmable Soft-Start; (7)Precision Bandgap Reference; (8)Latching Shutdown Input; (9)Non-latching Enable Input; (10)Adjustable Leading Edge Blanking; (11)Adjustable Dead Time Control; (12)Adjustable Ramp for Slope Compensation; (13)Fast Short-Circuit Protection (Hiccup Mode); (14)Adjustable Cycle-by-Cycle Peak Current Limiting; (15)Drive Signals to Implement Synchronous Rectification; (16)VDD Under-voltage Lockout; (17)Current Share Support; (18)±5% "In Regulation" Indication.
Diagrams

| Image | Part No | Mfg | Description | ![]() |
Pricing (USD) |
Quantity | ||||||||||||
|---|---|---|---|---|---|---|---|---|---|---|---|---|---|---|---|---|---|---|
![]() |
![]() ISL6505CR-T |
![]() |
![]() IC MULTIPLE POWER CTRLR 20-QFN |
![]() Data Sheet |
![]() Negotiable |
|
||||||||||||
| Image | Part No | Mfg | Description | ![]() |
Pricing (USD) |
Quantity | ||||||||||||
![]() |
![]() ISL60002 |
![]() Other |
![]() |
![]() Data Sheet |
![]() Negotiable |
|
||||||||||||
![]() |
![]() ISL60002BAH333 |
![]() Other |
![]() |
![]() Data Sheet |
![]() Negotiable |
|
||||||||||||
![]() |
![]() ISL60002BAH333Z-T7A |
![]() Intersil |
![]() Voltage & Current References PREC 3.3V HI OUTPUT FGAVREF 1MV -40 - +1 |
![]() Data Sheet |
![]()
|
|
||||||||||||
![]() |
![]() ISL60002BAH333Z-TK |
![]() |
![]() IC VREF SERIES PREC 3.3V SOT23-3 |
![]() Data Sheet |
![]()
|
|
||||||||||||
![]() |
![]() ISL60002BIB812 |
![]() |
![]() IC VREF SERIES PREC 1.25V 8-SOIC |
![]() Data Sheet |
![]() Negotiable |
|
||||||||||||
![]() |
![]() ISL60002BIB812-TK |
![]() |
![]() IC VREF SERIES PREC 1.25V 8-SOIC |
![]() Data Sheet |
![]() Negotiable |
|
||||||||||||
(China (Mainland))












