Product Summary
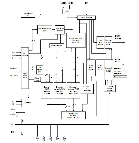
The HD66710A00FS is a dot-matrix liquid crystal display controller and driver. The HD66710A00FS can be configured to drive a dot-matrix liquid crystal display under the control of a 4- or 8-bit microprocessor. A single HD66710A00FS is capable of displaying a single16-character line, two 16-character lines, or up to four 8-character lines.
Parametrics
HD66710A00FS absolute maximum ratings: (1) Power supply voltage Vcc: -0.3 to +7V; (2) Power supply voltage Vcc-V5: -0.3 to +15V; (3) Input voltage Vt: -0.3 to Vcc +0.3V; (4) Operating temperature Topr: -20 tp +75°C; (5) Storage temperature Tstg: -55 to +125°C.
Features
HD66710A00FS features: (1) 5×8 dot matrix possible; (2) Low power operation; (3) Booster for liquid crystal voltage; (4) Wide range of liquid crystal display driver voltage; (5) Extension driver interface; (6) High-speed MPU bus interface (2 MHz at 5-V operation) ; (7) 4-bit or 8-bit MPU interface capability; (8) 80×8-bit display RAM (80 characters max.) .
Diagrams

(China (Mainland))






