Product Summary
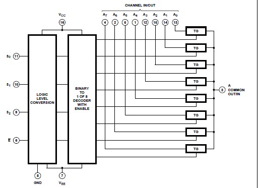
The CD74HC4053M96 is a digitally controlled analog switches which utilize silicon gate CMOS technology to achieve operating speeds similar to LSTTL with the low power consumption of standard CMOS integrated circuits.
Parametrics
CD74HC4053M96 absolute maximum ratings: (1)DC Supply Voltage, VCC - VEE: -0.5V to 10.5V; (2)DC Supply Voltage, VCC: -0.5V to +7V; (3)DC Supply Voltage, VEE: +0.5V to -7V; (4)DC Input Diode Current, IIK For VI < -0.5V or VI > VCC + 0.5V: ±20mA; (5)DC Switch Diode Current, IOK For VI < VEE -0.5V or VI > VCC + 0.5V: ±20mA; (6)DC Switch Current, (Note 2)For VI > VEE -0.5V or VI < VCC + 0.5V: ±25mA; (7)DC VCC or Ground Current, ICC: ±50mA; (8)DC VEE Current, IEE: -20mA.
Features
CD74HC4053M96 features: (1)Wide Analog Input Voltage Range: ±5V Max; (2)Low “On” Resistance - 70Ω Typical (VCC - VEE = 4.5V); (3)Low “On” Resistance- 40Ω Typical (VCC - VEE = 9V); (4)Low Crosstalk between Switches; (5)Fast Switching and Propagation Speeds; (6)“Break-Before-Make” Switching; (7)Wide Operating Temperature Range: -55oC to 125oC; (8)CD54HC/CD74HC Types - Operation Control Voltage: 2V to 6V; (9)CD54HC/CD74HC Types - Switch Voltage: 0V to 10V; (10)CD54HC/CD74HC Types - High Noise Immunity: NIL = 30%, NIH = 30% of VCC, VCC = 5V; (11)CD54HCT/CD74HCT Types - Operation Control Voltage: 4.5V to 5.5V; (12)CD54HCT/CD74HCT Types - Switch Voltage: 0V to 10V; (13)CD54HCT/CD74HCT Types - Direct LSTTL Input Logic Compatibility: VIL = 0.8V Max, VIH = 2V Min; (14)CD54HCT/CD74HCT Types - CMOS Input Compatibility: II ≤ 1μA at VOL, VOH.
Diagrams

| Image | Part No | Mfg | Description | ![]() |
Pricing (USD) |
Quantity | ||||||||||||
|---|---|---|---|---|---|---|---|---|---|---|---|---|---|---|---|---|---|---|
![]() |
![]() CD74HC4053M96 |
![]() Texas Instruments |
![]() Multiplexer Switch ICs Triple 2-Ch Analog |
![]() Data Sheet |
![]()
|
|
||||||||||||
![]() |
![]() CD74HC4053M96E4 |
![]() Texas Instruments |
![]() Multiplexer Switch ICs High Speed CMOS 3 2-Channel Analog |
![]() Data Sheet |
![]()
|
|
||||||||||||
![]() |
![]() CD74HC4053M96G3 |
![]() Texas Instruments |
![]() Multiplexer Switch ICs High Speed CMOS Tr 2 Ch Ana Mux/Demux |
![]() Data Sheet |
![]()
|
|
||||||||||||
![]() |
![]() CD74HC4053M96G4 |
![]() Texas Instruments |
![]() Multiplexer Switch ICs Hi Sp CMOS Tr 2-Ch Ana Multipl/Demult |
![]() Data Sheet |
![]()
|
|
||||||||||||
(China (Mainland))










