Product Summary
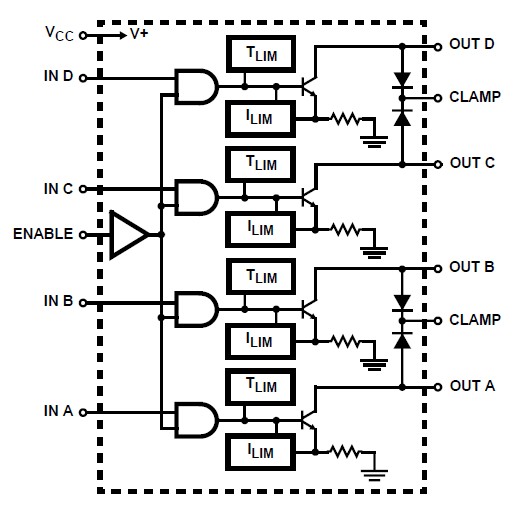
The ca3262aq is a quad-gated, inverting power driver. It is used to interface low-level logic to high current loads. Each Power Driver has four inverting switches consisting of a non-inverting logic input stage and an inverting low-side driver output stage. All inputs are 5V TTL/CMOS logic compatible and have a common Enable input. The ca3262aq has independent current limiting (ILIM) and thermal limiting (TLIM) for protection from over-load conditions. Steering diodes connected from each output (in pairs) to the Clamp pins may be used in conjunction with external zener diodes to protect the IC against over-voltage transients that result from inductive load switching. The applications of the ca3262aq include: Solenoids, Automotive, Relays, Appliances, Lamps, Industrial Controls, Steppers, Robotics, Small Motors, Displays.
Parametrics
ca3262aq absolute maximum ratings: (1)Logic Supply Voltage, VCC: 7V; (2)Logic Input Voltage, VIN: 15V; (3)Output Voltage, VCEX: 60V; (4)Output Sustaining Voltage, VCE(SUS): 40V.
Features
ca3262aq features: (1)Independent Over-Current Limiting On Each Output; (2)Independent Over-Temperature Limiting On Each Output; (3)Output Drivers Capable of Switching 700mA Load; (4)Inputs Compatible With TTL or 5V CMOS Logic; (5)Suitable For Resistive, Lamp or Inductive Loads; (6)Power-Frame Package Construction For Good Heat Dissipation; (7)Operating Temperature Ranges: -40℃ to 85℃.
Diagrams

| Image | Part No | Mfg | Description | ![]() |
Pricing (USD) |
Quantity | ||||
|---|---|---|---|---|---|---|---|---|---|---|
![]() |
![]() CA3262AQ |
![]() Other |
![]() |
![]() Data Sheet |
![]() Negotiable |
|
||||
| Image | Part No | Mfg | Description | ![]() |
Pricing (USD) |
Quantity | ||||
![]() |
![]() CA3217 |
![]() Other |
![]() |
![]() Data Sheet |
![]() Negotiable |
|
||||
![]() |
![]() CA3224E |
![]() Other |
![]() |
![]() Data Sheet |
![]() Negotiable |
|
||||
![]() |
![]() CA3227 |
![]() Other |
![]() |
![]() Data Sheet |
![]() Negotiable |
|
||||
![]() |
![]() CA3227E |
![]() Intersil |
![]() IC TRANS ARRAY NPN HI-FREQ 16DIP |
![]() Data Sheet |
![]() Negotiable |
|
||||
![]() |
![]() CA3228 |
![]() Other |
![]() |
![]() Data Sheet |
![]() Negotiable |
|
||||
![]() |
![]() CA324 |
![]() Other |
![]() |
![]() Data Sheet |
![]() Negotiable |
|
||||
(China (Mainland))









