Product Summary
The bs62lv256tc-70 is a high performance, very low power CMOS Static Random Access Memory. The bs62lv256tc-70 is organized as 32,768 words by 8 bits and operates from a wide range of 2.4V to 5.5V supply voltage. Advanced CMOS technology and circuit techniques provide both high speed and low power features with a typical CMOS standby current of 0.01uA and maximum access time of 70ns in 3V operation. Easy memory expansion is provided by active LOW chip enable (CE), active LOW output enable (OE) and three-state output drivers.
Parametrics
bs62lv256tc-70 absolute maximum ratings: (1)Terminal Voltage with Respect to GND, VTERM: -0.5 to Vcc +0.5 V; (2)Temperature Under Bias, TBIAS: -40 to +125℃; (3)Storage Temperature, TSTG: -60 to +150℃; (4)Power Dissipation, PT: 1.0 W; (5)DC Output Current, IOUT: 20 mA.
Features
bs62lv256tc-70 features: (1)Wide Vcc operation voltage: 2.4V to 5.5V; (2)Very low power consumption: Vcc = 3.0V C-grade: 20mA (Max.) operating current; I- grade: 25mA (Max.) operating current; 0.01uA (Typ.) CMOS standby current; Vcc= 5.0V C-grade: 35mA (Max.) operating current; I- grade: 40mA (Max.) operating current; 0.4uA (Typ.) CMOS standby current; (3)High speed access time: -70 to 70ns (Max.) at Vcc= 3.0V; (4)Automatic power down when chip is deselected; (5)Three state outputs and TTL compatible; (6)Fully static operation; (7)Data retention supply voltage as low as 1.5V; (8)Easy expansion with CE and OE options.
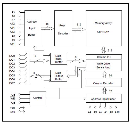
Diagrams

(China (Mainland))






