Product Summary
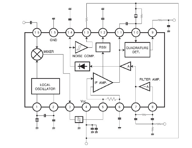
The ba4116fv is a FM IF detector. The ba4116fv is an IC with mixing circuit, IF circuit, FM detector circuit, RSSI circuit, and noise detector circuit. As it can operate at low voltages, it is ideal for use in cordless phones. The applications of the ba4116fv include Cordless phones, amateur short wave radios, and other portable wireless equipment.
Parametrics
ba4116fv absolute maximum ratings: (1)Power supply voltage: 7.0 V; (2)Power dissipation: 350 mW; (3)Operating temperature: -30 to +85 ℃; (4)Storage temperature: -55 to +125 ℃.
Features
ba4116fv features: (1)Input frequencies of 10MHz to 150MHz can be accommodated; (2)Low-voltage operation (1.8 to 5.5V); (3)Excellent temperature characteristic; (4)High sensitivity; 12dB SINAD sensitivity = 8dBmVEMF (50 W); (5)High intercept point (–11dBm); (6)Small package used (0.65mm pitch).
Diagrams

| Image | Part No | Mfg | Description | ![]() |
Pricing (USD) |
Quantity | ||||
|---|---|---|---|---|---|---|---|---|---|---|
![]() |
![]() BA4116FV |
![]() Other |
![]() |
![]() Data Sheet |
![]() Negotiable |
|
||||
![]() |
![]() BA4116FV-E2 |
![]() |
![]() IC MIXER/DETECTR 150MHZ SSOP-B16 |
![]() Data Sheet |
![]() Negotiable |
|
||||
(China (Mainland))










