Product Summary
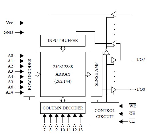
The AS7C256-20JCTR is a high performance CMOS 262,144-bit Static Random Access Memory (SRAM) organized as 32,768 words 8 bits. It is designed for memory applications where fast data access, low power, and simple interfacing are desired.
Parametrics
AS7C256-20JCTR absolute maximum ratings: (1)Voltage on Any Pin Relative to GND: –0.5 to +7.0 V; (2)Power Dissipation: 1.0 W; (3)Storage Temperature (Plastic): –55 to +150 ℃; (4)Temperature Under Bias: –10 to +85 ℃; (5)DC Output Current: 20 mA.
Features
AS7C256-20JCTR features: (1)Organization: 32,768 words 8 bits; (2)High speed – 10/12/15/20/25/35 ns address access time. 3/3/4/5/6/8 ns output enable access time; (3)Low power consumption – Active: 660 mW max (10 ns cycle). Standby: 11 mW max, CMOS I/O 2.75 mW max, CMOS I/O, L version. Very low DC component in active power; (4)2.0V data retention (L version); (5)Equal access and cycle times; (6)Easy memory expansion with CE and OE inputs; (7)TTL-compatible, three-state I/O; (8)28-pin JEDEC standard packages – 300 mil PDIP and SOJ Socket compatible with 7C512 and 7C1024. 330 mil SOIC. 813.4 TSOP; (9)ESD protection > 2000 volts; (10)Latch-up current > 200 mA.
Diagrams

(China (Mainland))






