Product Summary
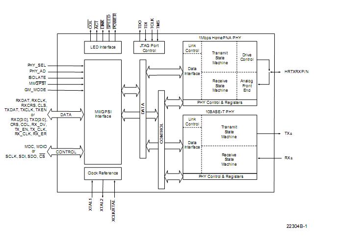
The am79c901avc HomePHY is a single-chip devicethat contains both a physical layer (PHY) for 1 Mbps data networking over existing residential telephone wiring based on the specification published by HomePNA and a physical layer for supporting the IEEE 802.3 standard for 10BASE-T. The am79c901avc is targeted at embedded applications and has both GPSI and MII-compatible interfaces. The am79c901avc is fabricated in an advanced low power 3.3 V CMOS process to provide low
operating current for power sensitive applications.
Parametrics
am79c901avc absolute maximum ratings: (1) Storage Temperature: -65 to +150°C; (2) Ambient Temperature (C) : -65 to +70°C; (3) Ambient Temperature (I) : -65 to +85°C; (4) Supply Voltage with respect to VSS: -0.3 to 3.63V.
Features
am79c901avc features: (1) Fully integrated 1 Mbps HomePNA Physical Layer (PHY) as defined by Home Phoneline Networking Alliance (HomePNA) specification 1.1; (2) Fully integrated 10 Mbps Ethernet transceiver; (3) Compliant with HomePNA specification 1.1; (4) General Purpose Serial Interface (GPSI)/Serial Peripheral Interface (SPI); (5) Extensive programmable internal/external loopback capabilities; (6) Extensive LED status support; (7) IEEE 1149.1-compliant JTAG Boundary Scan test access port interface Very low power consumption; (8) +3.3 V power supply along with 5 V tolerant I/Os enable broad system compatibility.
Diagrams

(China (Mainland))





