Product Summary
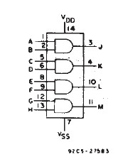
The CD4071BE is a CMOS AND gate which provides the system designer with direct implementation of the AND function and supplement the existing family of CMOS gates. The CD4071BE is supplied in 14-lead hermetic dual-in-line ceramic packages.
Parametrics
CD4071BE absolute maximum ratings: (1)DC supply-voltage range, VDD: -0.5 to +20 V; (2)input voltage range, all inputs: -0.5 V to VDD+0.5 V; (3)DC input current, any one input: ± 10mA; (4)power dissipation per package: 500mW; (5)device dissipation per output transistor for TA=full package-temperature range: 100mW; (6)operating temperature range: -55 to +125℃; (7)storage temperature range: -65 to +150℃; (8)lead temperature: +265℃.
Features
CD4071BE features: (1)medium speed operation: tpHL, tpHL=60 ns at VDD=10 V; (2)100% tested for quiescent current at 20 V; (3)maximum input current of 1μA at 18 V over full package-temperature range: 100nA at 18V and 25 ℃; (4) standardized symmetrical output characteristics; (5)5-V, 10-V and 15-V parametric ratings.
Diagrams

| Image | Part No | Mfg | Description | ![]() |
Pricing (USD) |
Quantity | ||||||||||||
|---|---|---|---|---|---|---|---|---|---|---|---|---|---|---|---|---|---|---|
![]() |
![]() CD4071BE |
![]() Texas Instruments |
![]() Gates (AND / NAND / OR / NOR) Quad 2-Input |
![]() Data Sheet |
![]()
|
|
||||||||||||
![]() |
![]() CD4071BEE4 |
![]() Texas Instruments |
![]() Gates (AND / NAND / OR / NOR) Quad 2-Input |
![]() Data Sheet |
![]()
|
|
||||||||||||
(China (Mainland))









