Product Summary
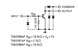
The TD62597AFN is an eight NPN transistor array which is usd for relay, hammer, lamp and display drivers.
Parametrics
TD62597AFN absolute maximum ratings: (1)Collector-emitter volatge: 50V; (2)Collector-Base voltage: 50V; (3)Clamp diode reverse voltage: 50V; (4)Collector current: 200mA/ch; (5)Input voltage: -0.5 to 30V; (6)Input current: 25mA; (7)Power dissipation: 0.96/1.47 W; (8)Operating temperature: -40 to 85℃; (9)Storage tempearture: -55 to 150℃.
Features
TD62597AFN features: (1)Output current 200mA(max.); (2)High sustaining voltage output 50V(min.); (3)Low saturation voltage VCE(sat) =0.8V; (4)Package type: DIP-18 pin.
Diagrams

(China (Mainland))






