Product Summary
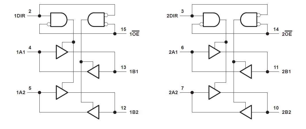
The SN74AVC4T245DR 4-bit noninverting bus transceiver uses two separate configurable power-supply rails. The A port is designed to track VCCA. The SN74AVC4T245DR is designed for asynchronous communication between data buses. The device transmits data from the A bus to the B bus or from the B bus to the A bus, depending on the logic level at the direction-control (DIR) input. The output-enable (OE) input can be used to disable the outputs so the buses are effectively isolated.
Parametrics
SN74AVC4T245DR absolute maximum ratings: (1)Supply voltage range, VCCA and VCCB: −0.5 V to 4.6 V; (2)Input voltage range, VI (see Note 1): I/O ports (A port): −0.5 V to 4.6 V; (3)I/O ports (B port): −0.5 V to 4.6 V; (4)Control inputs: −0.5 V to 4.6 V; (5)Voltage range applied to any output in the high-impedance or power-off state, VO (see Note 1): (A port): −0.5 V to 4.6 V, (B port): −0.5 V to 4.6 V; (6)Voltage range applied to any output in the high or low state, VO (see Notes 1 and 2): (A port): −0.5 V to VCCA + 0.5 V, (B port): −0.5 V to VCCB + 0.5 V; (7)Input clamp current, IIK (VI < 0): −50 mA; (8)Output clamp current, IOK (VO < 0): −50 mA; (9)Continuous output current, IO: ±50 mA; (10)Continuous current through VCCA, VCCB, or GND: ±100 mA; (11)Storage temperature range, Tstg: −65°C to 150°C.
Features
SN74AVC4T245DR features: (1)Control Inputs VIH/VIL Levels are Referenced to VCCA Voltage; (2)Fully Configurable Dual-Rail Design Allows Each Port to Operate Over the Full 1.2-V to 3.6-V Power-Supply Range; (3)I/Os Are 4.6-V Tolerant; (4)Ioff Supports Partial-Power-Down Mode Operation; (5)Latch-Up Performance Exceeds 100 mA Per JESD 78, Class II; (6)ESD Protection Exceeds JESD 22.
Diagrams

| Image | Part No | Mfg | Description | ![]() |
Pricing (USD) |
Quantity | ||||||||||||
|---|---|---|---|---|---|---|---|---|---|---|---|---|---|---|---|---|---|---|
![]() |
![]() SN74AVC4T245DR |
![]() Texas Instruments |
![]() Translation - Voltage Levels 4-Bit Dual-Supply Bus Xcvr |
![]() Data Sheet |
![]()
|
|
||||||||||||
![]() |
![]() SN74AVC4T245DRE4 |
![]() Texas Instruments |
![]() Translation - Voltage Levels 4-Bit Dual-Supply Bus Xcvr |
![]() Data Sheet |
![]()
|
|
||||||||||||
![]() |
![]() SN74AVC4T245DRG4 |
![]() Texas Instruments |
![]() Translation - Voltage Levels 4B Dual Supply Bus Trancvr |
![]() Data Sheet |
![]()
|
|
||||||||||||
(China (Mainland))









