Product Summary
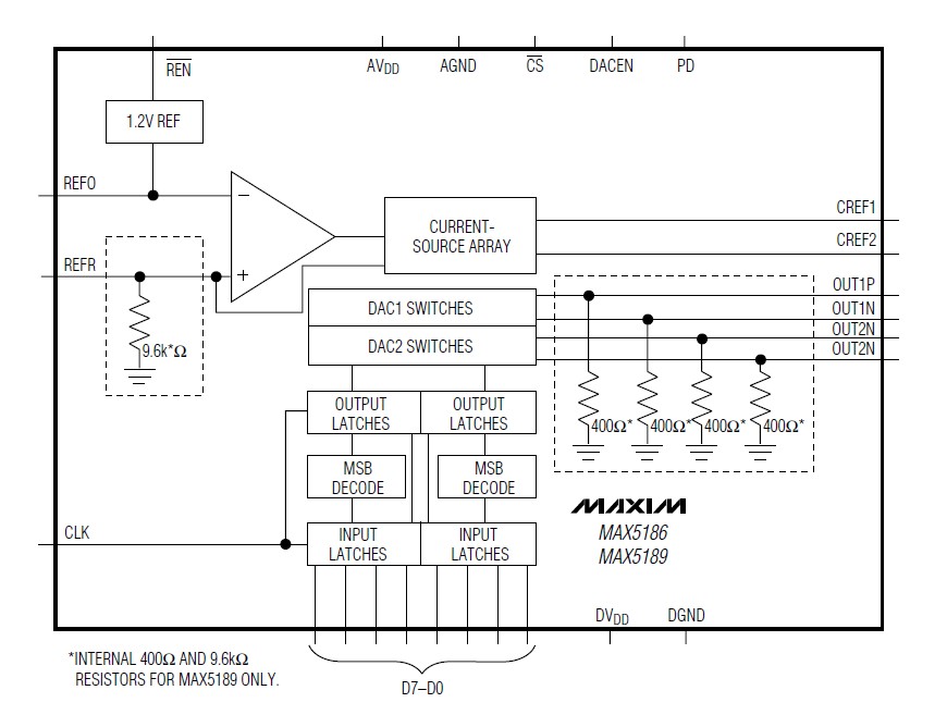
The MAX5186 is an 8-bit, simultaneous-update, current-output digital-to-analog converter (DAC) . It is designed for superior performance in communications systems requiring analog signal reconstruction with low distortion and low-power operation. The MAX5186 is designed for a 10pVs glitch operation to minimize unwanted spurious signal components at the output. An on-board +1.2V bandgap circuit provides a well-regulated, low-noise reference that can be disabled for external reference operation. Applications are (1)Notebook Computers; (2)Hand-Held Instruments; (3)Li+ Battery Packs; (4)Desktop Cradle Chargers.
Parametrics
MAX5186 absolute maximum ratings: (1)AVDD, DVDD to AGND, DGND: -0.3V to +6V; (2)Digital Input to DGND: -0.3V to +6V; (3)OUT1P, OUT1N, OUT2P, OUT2N, CREF1, CREF2 to AGND: -0.3V to +6V; (4)VREF to AGND: -0.3V to +6V; (5)AGND to DGND: -0.3V to +0.3V; (6)AVDD to DVDD: ±3.3V; (7)Maximum Current into Any Pin: 50mA; (8)Continuous Power Dissipation (TA = +70°C)28-Pin QSOP (derate 9.00mW/°C above +70°C): 725mW; (9)Operating Temperature Ranges MAX518_BEEI: -40°C to +85°C; (10)Storage Temperature Range: -65°C to +150°C; (11)Lead Temperature (soldering, 10s): +300°C.
Features
MAX5186 features: (1)+2.7V to +3.3V Single-Supply Operation; (2)Wide Spurious-Free Dynamic Range: 70dB at fOUT = 2.2MHz; (3)Fully Differential Outputs for Each DAC; (4)±0.5% FSR Gain Mismatch; (5)±0.15° Phase Mismatch; (6)Low-Current Standby or Full Shutdown Modes; (7)Internal +1.2V, Low-Noise Bandgap Reference; (8)Small 28-Pin QSOP Package.
Diagrams

| Image | Part No | Mfg | Description | ![]() |
Pricing (USD) |
Quantity | ||||||||||||
|---|---|---|---|---|---|---|---|---|---|---|---|---|---|---|---|---|---|---|
![]() |
![]() MAX5186BEEI+T |
![]() Maxim Integrated Products |
![]() DAC (D/A Converters) 8-Bit 2Ch High Speed DAC |
![]() Data Sheet |
![]()
|
|
||||||||||||
![]() |
![]() MAX5186BEEI-T |
![]() Maxim Integrated Products |
![]() DAC (D/A Converters) |
![]() Data Sheet |
![]() Negotiable |
|
||||||||||||
![]() |
![]() MAX5186BEEI+ |
![]() Maxim Integrated Products |
![]() DAC (D/A Converters) 8-Bit 2Ch High Speed DAC |
![]() Data Sheet |
![]()
|
|
||||||||||||
![]() |
![]() MAX5186BEEI |
![]() Maxim Integrated Products |
![]() DAC (D/A Converters) |
![]() Data Sheet |
![]() Negotiable |
|
||||||||||||
(China (Mainland))










