Product Summary
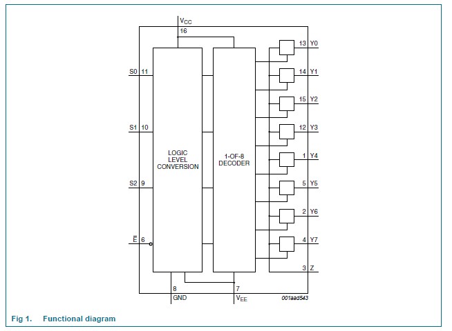
The 74HC4051D is a high-speed Si-gate CMOS device and is pin compatible with Low-power Schottky TTL (LSTTL). The 74HC4051D is specified in compliance with JEDEC standard no. 7A. The 74HC4051D is an 8-channel analog multiplexer/demultiplexer with three digital select inputs (S0 to S2), an active-LOW enable input (E), eight independent inputs/outputs (Y0 to Y7) and a common input/output (Z). With E LOW, one of the eight switches is selected (low impedance ON-state) by S0 to S2. With E HIGH, all switches are in the high-impedance OFF-state, independent of S0 to S2.
Parametrics
74HC4051D absolute maximum ratings: (1)VCC, supply voltage: -0.5 to +11.0 V; (2)IIK, input clamping current, VI < -0.5 V or VI > VCC + 0.5 V: ±20 mA max; (3)ISK, switch clamping current VSW < -0.5 V or VSW > VCC + 0.5 V: ±20 mA max; (4)ISW, switch current -0.5 V < VSW < VCC + 0.5 V: ±25 mA max; (5)IEE, supply current: ±20 mA max; (6)ICC, supply current: 50 mA max; (7)IGND, ground current: -50 mA max; (8)Tstg, storage temperature: -65 to +150 ℃; (9)Ptot, total power dissipation: DIP16 package: 750 mW max; SO16, (T)SSOP16, and; (10)DHVQFN16 package: 500 mW max; (11)P, power dissipation per switch: 100 mW max.
Features
74HC4051D features: (1)Wide analog input voltage range from -5 V to +5 V; (2)Low ON resistance: 80 Ω (typical) at VCC - VEE = 4.5 V; 70 Ω (typical) at VCC - VEE = 6.0 V; 60 Ω (typical) at VCC - VEE = 9.0 V; (3)Logic level translation: to enable 5 V logic to communicate with ±5 V analog signals; (4)Typical break before make built-in; (5)ESD protection: HBM JESD22-A114F exceeds 2000 V; MM JESD22-A115-A exceeds 200 V; (6)Multiple package options; (7)Specified from -40 ℃ to +85 ℃ and -40 ℃ to +125 ℃.
Diagrams

| Image | Part No | Mfg | Description | ![]() |
Pricing (USD) |
Quantity | ||||||||||||
|---|---|---|---|---|---|---|---|---|---|---|---|---|---|---|---|---|---|---|
![]() |
![]() 74HC4051D |
![]() Other |
![]() |
![]() Data Sheet |
![]() Negotiable |
|
||||||||||||
![]() |
![]() 74HC4051D,652 |
![]() NXP Semiconductors |
![]() Multiplexer Switch ICs 8-CH ANALOG MUX/DMUX |
![]() Data Sheet |
![]()
|
|
||||||||||||
![]() |
![]() 74HC4051DB,118 |
![]() NXP Semiconductors |
![]() Encoders, Decoders, Multiplexers & Demultiplexers 8-CHANNEL ANALOG MUX/DEMUX |
![]() Data Sheet |
![]()
|
|
||||||||||||
![]() |
![]() 74HC4051D,653 |
![]() NXP Semiconductors |
![]() Multiplexer Switch ICs 8-CHANNEL ANALOG MUX/DEMUX |
![]() Data Sheet |
![]()
|
|
||||||||||||
![]() |
![]() 74HC4051DB,112 |
![]() NXP Semiconductors |
![]() Multiplexer Switch ICs 8-CH ANLG MUX/DEMUX |
![]() Data Sheet |
![]()
|
|
||||||||||||
![]() |
![]() 74HC4051DB |
![]() NXP Semiconductors |
![]() Multiplexer Switch ICs 8-CH ANLG MUX/DEMUX |
![]() Data Sheet |
![]() Negotiable |
|
||||||||||||
(China (Mainland))










