Product Summary
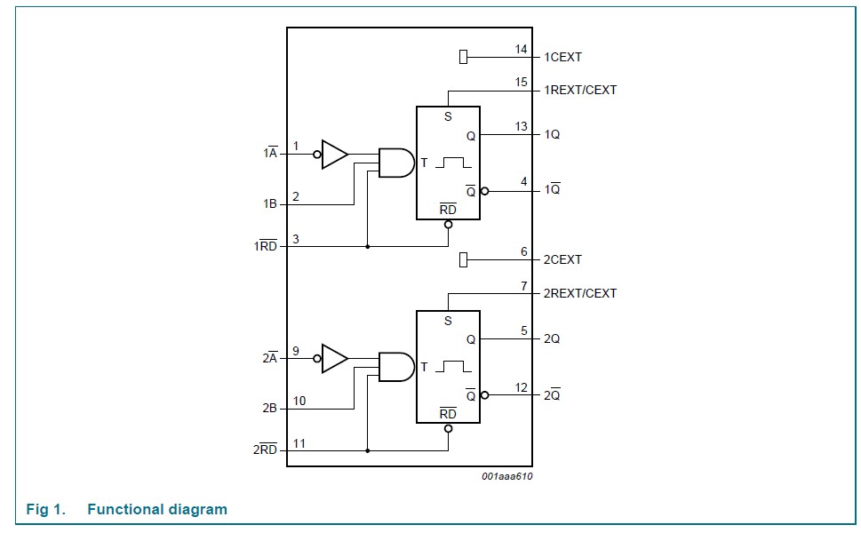
The 74HC123D is a high-speed Si-gate CMOS dual retriggerable monostable multivibrator with output pulse width control and pin compatible with Low-power Schottky TTL (LSTTL). It is specified in compliance with JEDEC standard no. 7A.
Parametrics
74HC123D absolute maximum ratings: (1)supply voltage: -0.5 to +7 V; (2)input clamping current, VI < -0.5 V or VI > VCC + 0.5 V: ±20 mA; (3)output clamping current, VO < -0.5 V or VO > VCC + 0.5 V: ±20 mA; (4)output current except for pins nREXT/CEXT; VO = -0.5 V to (VCC + 0.5 V): ±25 mA; (5)ICC supply current: 50 mA; (6)IGND ground current: -50 mA; (7)Tstg storage temperature: -65 to +150 ℃; (8)Ptot total power dissipation: DIP16 package [1] 750 mW, SO16 package [2] -500 mW, SSOP16 package [3] 500 mW, TSSOP16 package [3] 500 mW, DHVQFN16 package [4] 500 mW.
Features
74HC123D features: (1)DC triggered from active HIGH or active LOW inputs; (2)Retriggerable for very long pulses up to 100 % duty factor; (3)Direct reset terminates output pulse; (4)Schmitt-trigger action on all inputs except for the reset input; (5)ESD protection: HBM JESD22-A114F exceeds 2000 V; MM JESD22-A115-A exceeds 200 V; (6)Specified from -40 to +85 ℃ and from -40 to +125 ℃.
Diagrams

| Image | Part No | Mfg | Description | ![]() |
Pricing (USD) |
Quantity | ||||||||||||
|---|---|---|---|---|---|---|---|---|---|---|---|---|---|---|---|---|---|---|
![]() |
![]() 74HC123D,652 |
![]() NXP Semiconductors |
![]() Monostable Multivibrator DUAL MONO RETRIG |
![]() Data Sheet |
![]()
|
|
||||||||||||
![]() |
![]() 74HC123D,653 |
![]() NXP Semiconductors |
![]() Monostable Multivibrator DUAL RETRIG MONOSTABLE MULTI |
![]() Data Sheet |
![]()
|
|
||||||||||||
![]() |
![]() 74HC123DB,112 |
![]() NXP Semiconductors |
![]() Monostable Multivibrator DUAL MONO MULTIVIB |
![]() Data Sheet |
![]()
|
|
||||||||||||
![]() |
![]() 74HC123DB,118 |
![]() NXP Semiconductors |
![]() Monostable Multivibrator DUAL RETRIG MONOSTABLE MULTI |
![]() Data Sheet |
![]()
|
|
||||||||||||
![]() |
![]() 74HC123DB |
![]() NXP Semiconductors |
![]() Monostable Multivibrator DUAL MONO MULTIVIB RETRIG/RESET |
![]() Data Sheet |
![]() Negotiable |
|
||||||||||||
(China (Mainland))









