Product Summary
The 2sd1583-z-e1 is a kind of NPN silicon epitaxial transistor, which is designed for Audio Frequency Amplifier and Switching, especially in Hybrid Integrated Circuits.
Parametrics
2sd1583-z-e1 absolute maximum ratings: (1)Collector-to-Base Voltage, VCBO: 30 V; (2)Collector-to-Emitter Voltage, VCEO: 20 V; (3)Emitter-to-Base Voltage, VEBO: 5 V; (4)Collector Current, IC: 2 A; (5)Collector Current (pulse), ICP: 3 A; (6)Total Power Dissipation, PC: 2.0 W; (7)Junction Temperature, Tj: 150℃; (8)Storage Temperature, Tstg: -55 to +150℃.
Features
2sd1583-z-e1 features: (1)High hFE: hFE = 800 to 3200; (2)Low VCE(sat): VCE(sat) = 0.18 V TYP.
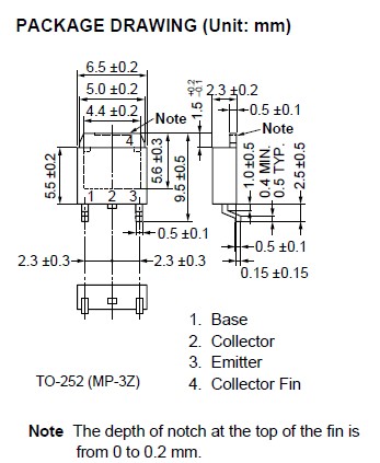
Diagrams

(China (Mainland))






