Product Summary
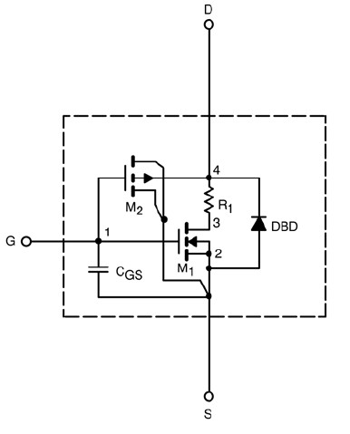
The SI4888DY is an N-Channel Reduced Qg, Fast Switching MOSFET. The attached spice model of the SI4888DY describes the typical electrical characteristics of the n-channel vertical DMOS. The subcircuit model is extracted and optimized over the -55 to 125℃ temperature ranges under the pulsed 0-V to 10-V gate drive. The saturated output impedance is best fit at the gate bias near the threshold voltage.
Parametrics
SI4888DY absolute maximum ratings: (1)Gate Threshold Voltage VGS(th): 1.1V; (2)On-State Drain Currenta ID(on): 838A; (3)Drain-Source On-State Resistancea rDS(on): 0.0080Ω; (4)Forward Transconductancea: 49S; (5)Diode Forward Voltagea: 0.74V.
Features
SI4888DY features: (1)N-Channel Vertical DMOS; (2)Macro Model (Subcircuit Model); (3)Level 3 MOS; (4)Apply for both Linear and Switching Application; (5)Accurate over the -55 to 125℃ Temperature Range; (6)Model the Gate Charge, Transient, and Diode Reverse Recovery Characteristics.
Diagrams

| Image | Part No | Mfg | Description | ![]() |
Pricing (USD) |
Quantity | ||||||||||||
|---|---|---|---|---|---|---|---|---|---|---|---|---|---|---|---|---|---|---|
![]() |
![]() SI4888DY |
![]() Vishay/Siliconix |
![]() MOSFET 30V 16A 3.5W |
![]() Data Sheet |
![]() Negotiable |
|
||||||||||||
![]() |
![]() SI4888DY-E3 |
![]() Vishay/Siliconix |
![]() MOSFET 30V 16A 3.5W |
![]() Data Sheet |
![]() Negotiable |
|
||||||||||||
![]() |
![]() SI4888DY-T1-E3 |
![]() Vishay/Siliconix |
![]() MOSFET 30V 16A 3.5W |
![]() Data Sheet |
![]()
|
|
||||||||||||
![]() |
![]() SI4888DY-T1-GE3 |
![]() Vishay/Siliconix |
![]() MOSFET 30V 16A 3.5W 7.0mohm @ 10V |
![]() Data Sheet |
![]()
|
|
||||||||||||
![]() |
![]() SI4888DY-T1 |
![]() Vishay/Siliconix |
![]() MOSFET 30V 16A 3.5W |
![]() Data Sheet |
![]() Negotiable |
|
||||||||||||
(China (Mainland))









