Product Summary
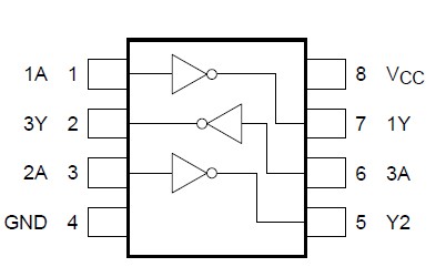
The TC7WHU04FK is a triple inverter.
Parametrics
TC7WHU04FK absolute maximum ratings: (1)Supply voltage, VCC: -0.5 to 7.0 V; (2)DC input voltage, VIN: -0.5 to 7.0 V; (3)DC output voltage, VOUT: -0.5 to VCC + 0.5 V; (4)Input diode current, IIK: -20 mA; (5)Output diode current, IOK: ±20(Note1)mA; (6)DC output current, IOUT: ±25 mA; (7)DC VCC/ground current, ICC: ±50 mA; (8)Power dissipation, PD: 300 (SM8)mW; 200 (US8)mW; (9)Storage temperature, Tstg: -65 to 150 °C; (10)Lead temperature (10 s), TL: 260 °C.
Features
TC7WHU04FK features: (1)High speed: tpd = 3.5 ns (typ.)at VCC = 5 V, CL = 15pF; (2)Low power dissipation: ICC = 2 μA (max)at Ta = 25°C; (3)High noise immunity: VNIH = VNIL = 10% VCC (min); (4)5.5-V Tolerant inputs; (5)Wide operating voltage range: VCC = 2to5.5 V; (6)Balanced propagation delays :tpLH ≈ tpHL; (7)Identical pin assignment and function with TC7WU04.
Diagrams

| Image | Part No | Mfg | Description | ![]() |
Pricing (USD) |
Quantity | ||||||||||||
|---|---|---|---|---|---|---|---|---|---|---|---|---|---|---|---|---|---|---|
![]() |
![]() TC7WHU04FK(TE85L) |
![]() |
![]() IC INVERTER TRIPLE 8-SSOP |
![]() Data Sheet |
![]() Negotiable |
|
||||||||||||
![]() |
![]() TC7WHU04FK(TE85L,F |
![]() Toshiba |
![]() Inverters x34 INV (UNBUFFERED) |
![]() Data Sheet |
![]()
|
|
||||||||||||
(China (Mainland))










