Product Summary
The TA78L09F is a 3-terminal positive voltage regulator.
Parametrics
TA78L09F absolute maximum ratings: (1)Input voltage, VIN: 35 V; (2)Power dissipation (Ta = 25°C), PD: 500 mW; (3)Operating temperature, Topr: -30 to 75 °C; (4)Storage temperature, Tstg: -55 to 150°C; (5)Operating junction temperature, Tj: -30 to 150 °C; (6)Thermal resistance, Rth (j-a): 250 °C/w.
Features
TA78L09F features: (1)Best suited to power supply for TTL/CMOS; (2)No external part needed; (3)Built-in thermal protective circuit; (4)Built-in short-circuit current limiting; (5)Max. output current 150mA (Tj = 25°C); (6)Packaged in POWER MINI (SOT-89).
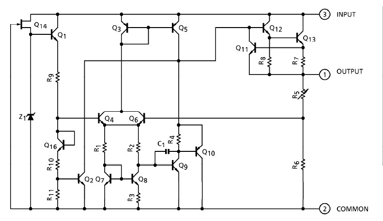
Diagrams

| Image | Part No | Mfg | Description | ![]() |
Pricing (USD) |
Quantity | ||||||||||||
|---|---|---|---|---|---|---|---|---|---|---|---|---|---|---|---|---|---|---|
![]() |
![]() TA78L09F(TE12L,F) |
![]() Toshiba |
![]() Linear Regulators - Standard VReg OC Drooping TS In=35V Out=9V |
![]() Data Sheet |
![]()
|
|
||||||||||||
| Image | Part No | Mfg | Description | ![]() |
Pricing (USD) |
Quantity | ||||||||||||
![]() |
![]() TA7805AF(TE16L1,NQ |
![]() Toshiba |
![]() Linear Regulators - Standard VoltReg IC Input 20V Output 5V 1A |
![]() Data Sheet |
![]()
|
|
||||||||||||
![]() |
![]() TA7805F(TE16L,Q) |
![]() Toshiba |
![]() Low Dropout (LDO) Regulators VReg OC Drooping TS In=20V Out=5V |
![]() Data Sheet |
![]() Negotiable |
|
||||||||||||
![]() |
![]() TA7805S |
![]() Other |
![]() |
![]() Data Sheet |
![]() Negotiable |
|
||||||||||||
![]() |
![]() TA7805SB |
![]() Other |
![]() |
![]() Data Sheet |
![]() Negotiable |
|
||||||||||||
![]() |
![]() TA7805SB(TP,Q) |
![]() Toshiba |
![]() Low Dropout (LDO) Regulators VReg OC Drooping TS In=35V Out=5V |
![]() Data Sheet |
![]() Negotiable |
|
||||||||||||
![]() |
![]() TA7806F |
![]() Other |
![]() |
![]() Data Sheet |
![]() Negotiable |
|
||||||||||||
(China (Mainland))










