Product Summary
The ta76431s is an Adjustable Precision Shunt Regulator.
Parametrics
ta76431s absolute maximum ratings: (1)Cathode Voltage: 37 V; (2)Cathode Current: -100 to 150 mA; (3)Reference Voltage: 7 V; (4)Reference Current: 50 μA; (5)Reference-Anode Reverse Current: 10 mA; (6)Power Dissipation: 800 mW; (7)Operating Temperature: -40 to 85 ℃; (8)Storage Temperature: -55 to 150 ℃.
Features
ta76431s features: (1)Precision Reference Voltage: VREF=2.495V±2%; (2)Adjustable Output Voltage: VREF≤VOUT≤36 V .
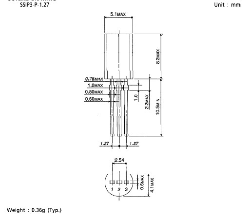
Diagrams

| Image | Part No | Mfg | Description | ![]() |
Pricing (USD) |
Quantity | ||||||
|---|---|---|---|---|---|---|---|---|---|---|---|---|
![]() |
![]() TA76431S |
![]() Other |
![]() |
![]() Data Sheet |
![]() Negotiable |
|
||||||
![]() |
![]() TA76431S(TE6,F,M) |
![]() Toshiba |
![]() Voltage & Current References Shunt Regulator 2.5V |
![]() Data Sheet |
![]()
|
|
||||||
(China (Mainland))










