Product Summary
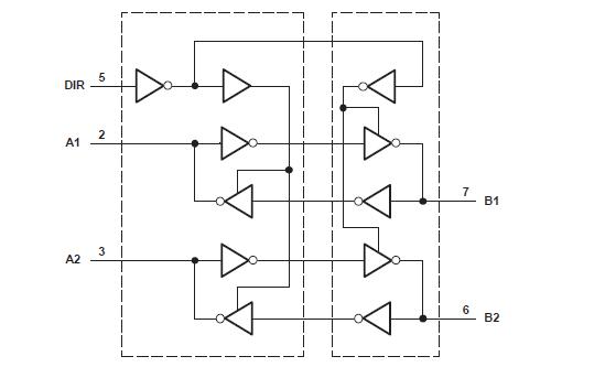
The SN74LVC2T45YZPR is a dual-bit dual-supply bus transceiver with configurable voltage translation and 3-state outputs. The SN74LVC2T45YZPR is designed for asynchronous communication between two data buses. The logic levels of the direction-control (DIR) input activate either the B-port outputs or the A-port outputs. The SN74LVC2T45YZPR transmits data from the A bus to the B bus when the B-port outputs are activated, and from the B bus to the A bus when the A-port outputs are activated.
Parametrics
SN74LVC2T45YZPR absolute maximum ratings: (1)VCC Supply voltage range: –0.5 to 6.5 V; (2)VI Input voltage range: –0.5 to 6.5 V; (3)VO Voltage range applied to any output in the high-impedance or power-off state: –0.5 to 6.5 V; (4)VO Voltage range applied to any output in the high or low state: –0.5 to VCC + 0.5 V; (5)IIK Input clamp current VI < 0: –50 mA; (6)IOK Output clamp current VO < 0: –50 mA; (7)IO Continuous output current: ±50 mA; (8)Continuous current through VCC or GND: ±100 mA; (9)θJA Package thermal impedance DCT package: 220℃/W; (10)θJA Package thermal impedance DCU package: 227℃/W; (11)θJA Package thermal impedance YZP package: 102℃/W; (12)Tstg Storage temperature range: –65℃ to 150℃.
Features
SN74LVC2T45YZPR features: (1)Available in the Texas Instruments NanoFree Package; (2)Fully Configurable Dual-Rail Design Allows Each Port to Operate Over the Full 1.65-V to 5.5-V Power-Supply Range; (3)VCC Isolation Feature – If Either VCC Input Is at GND, Both Ports Are in the High-Impedance State; (4)DIR Input Circuit Referenced to VCCA; (5)Low Power Consumption, 10-mA Max ICC; (6)±24-mA Output Drive at 3.3 V; (7)Ioff Supports Partial-Power-Down Mode Operation.
Diagrams

| Image | Part No | Mfg | Description | ![]() |
Pricing (USD) |
Quantity | ||||||||||||
|---|---|---|---|---|---|---|---|---|---|---|---|---|---|---|---|---|---|---|
![]() |
![]() SN74LVC2T45YZPR |
![]() Texas Instruments |
![]() Translation - Voltage Levels Dual Bit Dual Supply Transceiver |
![]() Data Sheet |
![]()
|
|
||||||||||||
| Image | Part No | Mfg | Description | ![]() |
Pricing (USD) |
Quantity | ||||||||||||
![]() |
![]() SN7400 |
![]() Other |
![]() |
![]() Data Sheet |
![]() Negotiable |
|
||||||||||||
![]() |
![]() SN7400D |
![]() Texas Instruments |
![]() Gates (AND / NAND / OR / NOR) Quad 2-input Positive-NAND gates |
![]() Data Sheet |
![]()
|
|
||||||||||||
![]() |
![]() SN7400DE4 |
![]() Texas Instruments |
![]() Gates (AND / NAND / OR / NOR) Quad 2-input Positive-NAND gates |
![]() Data Sheet |
![]()
|
|
||||||||||||
![]() |
![]() SN7400DG4 |
![]() Texas Instruments |
![]() Gates (AND / NAND / OR / NOR) Quad 2-input Pos- NAND |
![]() Data Sheet |
![]()
|
|
||||||||||||
![]() |
![]() SN7400DR |
![]() |
![]() IC QUAD 2IN POS-NAND GATE 14SOIC |
![]() Data Sheet |
![]() Negotiable |
|
||||||||||||
![]() |
![]() SN7400DRE4 |
![]() |
![]() IC QUAD 2IN POS-NAND GATE 14SOIC |
![]() Data Sheet |
![]() Negotiable |
|
||||||||||||
(China (Mainland))










