Product Summary
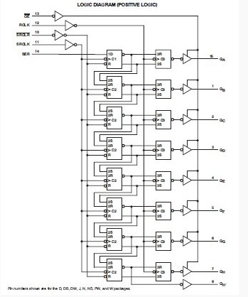
The SN74HC595 is an 8-bit shift register with 3-state output registers. The device contains an 8-bit serial-in, parallel-out shift register that feeds an 8-bit D-type storage register. The SN74HC595 has parallel 3-state outputs. Separate clocks are provided for both the shift and storage register. The shift register has a direct overriding clear (SRCLR) input, serial (SER) input, and serial outputs for cascading. When the output-enable (OE) input is high, the outputs of the SN74HC595 are in the high-impedance state. Both the shift register clock (SRCLK) and storage register clock (RCLK) are positive-edge triggered. If both clocks are connected together, the shift register SN74HC595 always is one clock pulse ahead of the storage register.
Parametrics
SN74HC595 absolute maximum ratings: (1)VCC, Supply voltage range: -0.5 V to 7 V; (2)IIK, Input clamp current: ±20 mA when VI < 0 or VI > VCC ; (3)IOK, Output clamp current: ±20 mA when VO < 0 or VO > VCC ; (4)IO, Continuous output current: ±35 mA when VO = 0 to VCC ; (5)Continuous current through VCC or GND: ±70 mA; (6)θJA, Package thermal impedance: 108℃/W; (7)Tstg, Storage temperature range: -65 to 150℃.
Features
SN74HC595 features: (1)8-Bit Serial-In, Parallel-Out Shift; (2)Wide Operating Voltage Range of 2 V to 6 V; (3)High-Current 3-State Outputs Can Drive Up To 15 LSTTL Loads; (4)Low Power Consumption: 80-μA (Max) ICC; (5)tpd = 13 ns (Typ); (6)±6-mA Output Drive at 5 V; (7)Low Input Current: 1 μA (Max); (8)Shift Register Has Direct Clear.
Diagrams

| Image | Part No | Mfg | Description | ![]() |
Pricing (USD) |
Quantity | ||||||||||||
|---|---|---|---|---|---|---|---|---|---|---|---|---|---|---|---|---|---|---|
![]() |
![]() SN74HC595DR |
![]() Texas Instruments |
![]() Counter Shift Registers 8bit Shift |
![]() Data Sheet |
![]()
|
|
||||||||||||
![]() |
![]() SN74HC595DRE4 |
![]() Texas Instruments |
![]() Counter Shift Registers 8-Bit Shift Register |
![]() Data Sheet |
![]()
|
|
||||||||||||
![]() |
![]() SN74HC595DRG3 |
![]() Texas Instruments |
![]() Counter Shift Registers 8B Shift Registers |
![]() Data Sheet |
![]()
|
|
||||||||||||
![]() |
![]() SN74HC595DRG4 |
![]() Texas Instruments |
![]() Counter Shift Registers 8-Bit Shift Register |
![]() Data Sheet |
![]()
|
|
||||||||||||
(China (Mainland))









