Product Summary
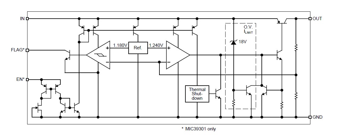
The MIC39300-2.5BU TR is a 3.0A low-dropout linear voltage regulators that provide a low voltage, high-current output with a minimum of external components. Utilizing Micrels proprietary Super beta PNP pass element, the MIC39300-2.5BU TR offers extremely low dropout (typically 400mV at 3.0A) and low ground current (typically 36mA at 3.0A). Applications are (1)LDO linear regulator for PC add-in cards; (2)High-efficiency linear power supplies; (3)SMPS post regulator; (4)Multimedia and PC processor supplies; (5)Low-voltage microcontrollers; (6)StrongARM processor supply.
Parametrics
MIC39300-2.5BU TR absolute maximum ratings: (1)Supply Voltage (VIN): –20V to +20V; (2)Enable Voltage (VEN): +20V; (3)Storage Temperature (TS): –65°C to +150°C; (4)Lead Temperature (soldering, 5 sec.): 260°C ESD, Note 3; (5)Supply Voltage (VIN): +2.25V to +16V; (6)Enable Voltage (VEN): +16V; (7)Maximum Power Dissipation (PD(max)): Note 4; (8 Junction Temperature (TJ): –40°C to +125°C; (9)Package Thermal Resistance TO-263 (qJC): 2°C/W; (10)Package Thermal Resistance TO-220 (qJC): 2°C/W.
Features
MIC39300-2.5BU TR features: (1)3.0A minimum guaranteed output current; (2)500mV maximum dropout voltage over temperature Ideal for 3.0V to 2.5V conversion; (3)1% initial accuracy; (4)Low ground current; (5)Current limiting and Thermal shutdown; (6)Reversed-battery protection; (7)Reversed-leakage protection; (8)Fast transient response; (9)TO-263 and TO-220 packaging; (10)TTL/CMOS compatible enable pin (MIC39301 only); (11)Error flag output (MIC39301 only).
Diagrams

| Image | Part No | Mfg | Description | ![]() |
Pricing (USD) |
Quantity | ||||||||||||||
|---|---|---|---|---|---|---|---|---|---|---|---|---|---|---|---|---|---|---|---|---|
![]() |
![]() MIC39300-2.5BU TR |
![]() |
![]() IC REG LDO 2.5V 3A TO263 |
![]() Data Sheet |
![]() Negotiable |
|
||||||||||||||
| Image | Part No | Mfg | Description | ![]() |
Pricing (USD) |
Quantity | ||||||||||||||
![]() |
![]() MIC3000BML |
![]() |
![]() IC TXRX OPTICAL MANAGEMENT 24MLF |
![]() Data Sheet |
![]() Negotiable |
|
||||||||||||||
![]() |
![]() MIC3000BML TR |
![]() |
![]() IC TXRX OPTICAL MANAGEMENT 24MLF |
![]() Data Sheet |
![]() Negotiable |
|
||||||||||||||
![]() |
![]() MIC3001BML |
![]() |
![]() IC FOM MANAGEMENT W/CALIBR 24MLF |
![]() Data Sheet |
![]() Negotiable |
|
||||||||||||||
![]() |
![]() MIC3001BML TR |
![]() |
![]() IC FOM MANAGEMENT W/CALIBR 24MLF |
![]() Data Sheet |
![]() Negotiable |
|
||||||||||||||
![]() |
![]() MIC3001GML |
![]() |
![]() IC FOM MANAGEMENT W/CALIBR 24MLF |
![]() Data Sheet |
![]()
|
|
||||||||||||||
![]() |
![]() MIC3001GML TR |
![]() |
![]() IC FOM MANAGEMENT W/CALIBR 24MLF |
![]() Data Sheet |
![]()
|
|
||||||||||||||
(China (Mainland))










