Product Summary
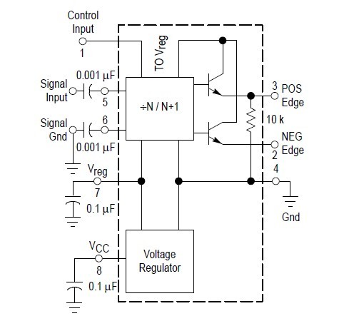
The mc12018d is a dual modulus prescaler which divides by 128 and 129. An internal regulator is provided to allow the mc12018d to be used over a wide range of power supply voltages. The mc12018d may be operated by applying a supply voltage of 5.0 Vdc ±10% at Pin 7, or by applying an unregulated voltage source from 5.5 Vdc to 9.5 Vdc to Pin 8.
Parametrics
mc12018d absolute maximum ratings: (1)Regulated Voltage, Pin 7 Vreg: 8.0 Vdc; (2)Power Supply Voltage, Pin 8 VCC: 10 Vdc; (3)Operating Temperature Range TA: –40 to +85 °C; (4)Storage Temperature Range Tstg: –65 to +175 °C; (5)Supply Current ICC: 8.0 to 10.7 mA.
Features
mc12018d features: (1)520 MHz Toggle Frequency; (2)Low–Power 8.0 mA Typical; (3)Control Input Is Compatible With Standard CMOS and TTL; (4)Supply Voltage 4.5 V to 9.5 V; (5)On–Chip 10 kW Resistor from Positive Edge to Ground.
Diagrams

(China (Mainland))






