Product Summary
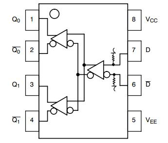
The MC10EL11DR2 is a differential 1:2 fanout buffer. The MC10EL11DR2 is functionally similar to the E111 device but with higher performance capabilities. The differential inputs of the MC10EL11DR2 employ clamping circuitry to maintain stability under open input conditions.
Parametrics
MC10EL11DR2 absolute maximum ratings: (1) PECL Mode Power Supply Vcc: 8V (VEE=0V) ; (2) NECL Mode Power Supply VEE: -8V (Vcc=0) ; (3) PECL Mode Input Voltage: 6V (VEE=0) , NECL Mode Input Voltage: -6V; (4) Output Current: 50m A ( Continuous) , 100mA (Surge) ; (5)Operating Temperature Range TA: -40 to +85°C; (6) Storage Temperature Range: -65 to +150°C.
Features
MC10EL11DR2 features: (1) 265ps Propagation Delay; (2) 5ps Skew Between Outputs; (3) PECL Mode Operating Range: Vcc= 4.2V to 5.7 with VEE=0V; (4) NECL Mode Operating Range: Vcc=0V with VEE= 4.2V to 5.7V; (5) Internal Input Pulldown Resistors; (6) PbFree Packages are Available.
Diagrams

| Image | Part No | Mfg | Description | ![]() |
Pricing (USD) |
Quantity | ||||||||||
|---|---|---|---|---|---|---|---|---|---|---|---|---|---|---|---|---|
![]() |
![]() MC10EL11DR2 |
![]() ON Semiconductor |
![]() Clock Buffer 5V ECL 1:2 Diff |
![]() Data Sheet |
![]() Negotiable |
|
||||||||||
![]() |
![]() MC10EL11DR2G |
![]() ON Semiconductor |
![]() Clock Buffer 5V ECL 1:2 Diff Fanout Buffer |
![]() Data Sheet |
![]()
|
|
||||||||||
(China (Mainland))










