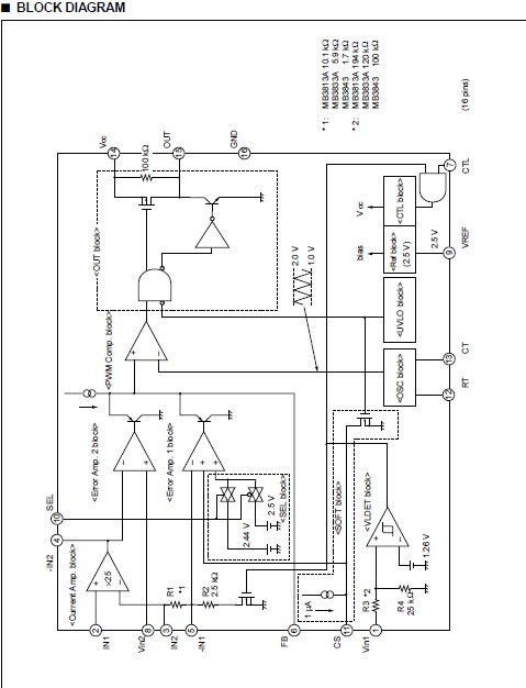
Product Summary
The MB3813APFV-G-BND-E is a pulse width modulation (PWM) DC/DC converter IC with independent output voltage and current setting capability. The use of on-chip output setting resistance enables high precision output voltage control. Also, an output voltage switching feature for use with either graphite-electrode or coke-electrode lithium-ion batteries makes this IC ideal for internal battery chargers in notebook personal computers and similar applications.
Parametrics
MB3813APFV-G-BND-E absolute maximum ratings: (1)Power supply voltage: 20 V; (2)Input voltage: 20 V; (3)Control input voltage: 20 V; (4)Select input voltage: 20 V; (5)Output current: 50 mA; (6)Peak output current: 500 mA; (7)Allowable dissipation: 440 mW; (8)Storage temperature: –55 to +125 °C.
Features
MB3813APFV-G-BND-E features: (1)Output setting resistance is on-chip for high precision output voltage: ±1.0%; (2)SEL pin enables output voltage selection; (3)High precision reference voltage source: 2.5 V ± 1.0%; (4)High frequency operating capability: max. 500 kHz; (5)On-chip current detector amplifier with wide in-phase input voltage range: 0 V to VCC.
Diagrams

(China (Mainland))






