Product Summary
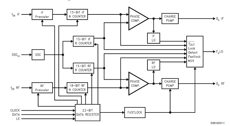
The lmx2331atmx monolithic, integrated dual frequency synthesizer, including prescaler, is to be used as a local oscillator for RF and first IF of a dual conversion transceiver. The lmx2331atmx is fabricated using Nationals ABiC IV silicon BiCMOS process. Applications are (1)Portable Wireless Communications (PCS/PCN, cordless); (2)Cordless and cellular telephone systems; (3)Wireless Local Area Networks (WLANs); (4)Cable TV tuners (CATV); (5)Other wireless communicatiosystems.
Parametrics
lmx2331atmx absolute maximum ratings: (1)Power Supply Voltage VCC: -0.3V to +6.5V; (2)VP: -0.3V to +6.5V; (3)Voltage on Any Pin with GND = 0V (VI): −0.3V to VCC+0.3V; (4)Storage Temperature Range (TS): −65°C to +150°C; (5)Lead Temperature (solder 4 sec.)(TL): +260°C.
Features
lmx2331atmx features: (1)Highly efficient for using synchronous rectification scheme; (2)On-chip soft-start/discharge control circuit; (3)High precision output voltage: ±1.2%; (4)4-bit, 16-step DAC: 2.0 V to 1.3 V in 50 mV steps; (5)Frequency range: 100 kHz to 500 kHz using variable resistance (on-chip frequency setting capacitance); (6)Standby current: 0 mA TYP; (7)On-chip PWRGOOD circuit for output voltage state detection; (8)Timer-latch short-circuit protection circuit, and overvoltage protection circuit for output protection.
Diagrams

| Image | Part No | Mfg | Description | ![]() |
Pricing (USD) |
Quantity | ||||
|---|---|---|---|---|---|---|---|---|---|---|
![]() |
![]() LMX2331ATMX |
![]() |
![]() IC FREQ SYNTH DUAL 20-TSSOP |
![]() Data Sheet |
![]() Negotiable |
|
||||
| Image | Part No | Mfg | Description | ![]() |
Pricing (USD) |
Quantity | ||||
![]() |
![]() LMX2119 |
![]() Other |
![]() |
![]() Data Sheet |
![]() Negotiable |
|
||||
![]() |
![]() LMX2216 |
![]() Other |
![]() |
![]() Data Sheet |
![]() Negotiable |
|
||||
![]() |
![]() LMX2216M |
![]() |
![]() IC AMP/MIXER LO NOISE 16-SOIC |
![]() Data Sheet |
![]() Negotiable |
|
||||
![]() |
![]() LMX2216MX |
![]() |
![]() IC AMP/MIXER LO NOISE 16-SOIC |
![]() Data Sheet |
![]() Negotiable |
|
||||
![]() |
![]() LMX2240 |
![]() Other |
![]() |
![]() Data Sheet |
![]() Negotiable |
|
||||
![]() |
![]() LMX2301 |
![]() Other |
![]() |
![]() Data Sheet |
![]() Negotiable |
|
||||
(China (Mainland))











