Product Summary
The lm2903dr is a dual differential comparator. Operation from dual supplies also is possible as long as the difference between the two supplies is 2 V to 36 V, and VCC is at least 1.5 V more positive than the input common-mode voltage. The lm2903dr consists of two independent voltage comparators that are designed to operate from a single power supply over a wide range of voltages. The lm2903dr is characterized for operation from -25℃ to 85℃.
Parametrics
lm2903dr absolute maximum ratings: (1)Supply voltage: 36 V; (2)Differential input voltage: ±36 V; (3)Input voltage range: -0.3 V to 36 V; (4)Output voltage: 36 V; (5)Output current: 20 mA; (6)Duration of output short-circuit to ground: Unlimited; (7)Package thermal impedance: 97℃/W; (8)Operating virtual junction temperature: 150℃; (9)Storage temperature range: -65℃ to 150℃.
Features
lm2903dr features: (1)Single Supply or Dual Supplies; (2)Wide Range of Supply Voltage: Max Rating:2 V to 36 V, Tested to 30 V:Non-V Devices, Tested to 32 V:V-Suffix Devices; (3)Low Supply-Current Drain Independent of Supply Voltage:0.4 mA Typ Per Comparator; (4)Low Input Bias Current:25 nA Typ; (5)Low Input Offset Voltage:2 mV Typ; (6)Common-Mode Input Voltage Range Includes Ground; (7)Differential Input Voltage Range Equal to Maximum-Rated Supply Voltage:±36 V; (8)Low Output Saturation Voltage; (9)Output Compatible With TTL, MOS, and CMOS.
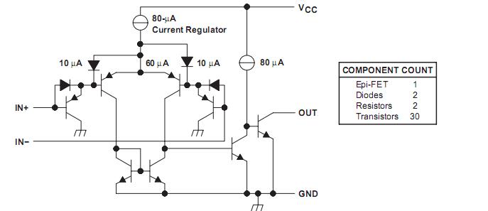
Diagrams

| Image | Part No | Mfg | Description | ![]() |
Pricing (USD) |
Quantity | ||||||||||||
|---|---|---|---|---|---|---|---|---|---|---|---|---|---|---|---|---|---|---|
![]() |
![]() LM2903DR |
![]() Texas Instruments |
![]() Comparator ICs Dual Diff Ind Temp |
![]() Data Sheet |
![]()
|
|
||||||||||||
![]() |
![]() LM2903DR2 |
![]() ON Semiconductor |
![]() Comparator ICs 2-36V Dual |
![]() Data Sheet |
![]() Negotiable |
|
||||||||||||
![]() |
![]() LM2903DRG4 |
![]() Texas Instruments |
![]() Comparator ICs Dual Differential Comparator |
![]() Data Sheet |
![]()
|
|
||||||||||||
![]() |
![]() LM2903DRG3 |
![]() Texas Instruments |
![]() Comparator ICs Dual Diff Comparator |
![]() Data Sheet |
![]()
|
|
||||||||||||
![]() |
![]() LM2903DR2G |
![]() ON Semiconductor |
![]() Comparator ICs 2-36V Dual -40 to 105 deg C |
![]() Data Sheet |
![]()
|
|
||||||||||||
![]() |
![]() LM2903DRE4 |
![]() Texas Instruments |
![]() Comparator ICs Dual Differential Comparator |
![]() Data Sheet |
![]()
|
|
||||||||||||
(China (Mainland))









