Product Summary
The KTC9014S-C-RTK/P is an epitaxial planar NPN transistor.
Parametrics
KTC9014S-C-RTK/P absolute maximum ratings: (1)Collector-Base Voltage: 60 V; (2)Collector-Emitter Voltage: 50 V; (3)Emitter-Base Voltage: 5 V; (4)Collector Current: 150 mA; (5)Emitter Current: -150 mA; (6)Collector Power Dissipation: 350 mW; (7)Junction Temperature: 150 ℃; (8)Storage Temperature Range: -55 to 150 ℃.
Features
KTC9014S-C-RTK/P features: (1)Excellent hFE Linearity: hFE(IC=0.1mA)/hFE(IC=2mA)=0.95(Typ.); (2)Low Noise :NF=1dB(Typ.)at f=1kHz; (3)Complementary to KTC9015S.
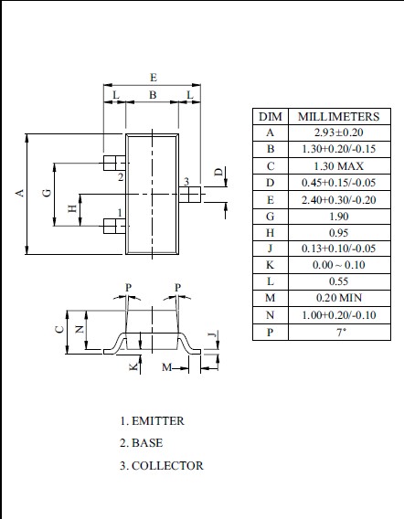
Diagrams

(China (Mainland))






