Product Summary
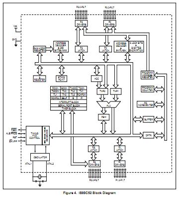
The is89c52a-40pl is a high-performance microcontroller fabricated using high-density CMOS technology. The CMOS is89c52a-40pl is functionally compatible with the industry standard 80C51 microcontrollers. The is89c52a-40pl is designed with 8-Kbytes of Flash memory, 258 x 8 RAM; 32 programmable I/O lines; a serial I/O port for either multiprocessor communications, I/O expansion or full duplex UART; three 16-bit timer/counters; an eight-source, two-priority-level, nested interrupt structure; and an on-chip oscillator and clock circuit. The is89c52a-40pl can be expanded using standard TTL compatible memory.
Parametrics
is89c52a-40pl absolute maximum ratings: (1)VTERM, Terminal Voltage with Respect to GND: –2.0 to +7.0 V; (2)TBIAS, Temperature Under Bias: –40 to +85 °C; (3)TSTG, Storage Temperature: –65 to +125 °C; (4)PT, Power Dissipation: 1.5 W.
Features
is89c52a-40pl features: (1)80C51 based architecture; (2)8-Kbytes of on-chip Reprogrammable Flash Memory; (3)256 x 8 RAM; (4)Three 16-bit Timer/Counters; (5)Full duplex serial channel; (6)Boolean processor; (7)Four 8-bit I/O ports, 32 I/O lines; (8)Memory addressing capability – 64K ROM and 64K RAM; (9)Program memory lock – Lock bits (3); (10)Power save modes: – Idle and power-down; (11)Eight interrupt sources; (12)Most instructions execute in 0.3 μs; (13)CMOS and TTL compatible; (14)Maximum speed: 40 MHz @ Vcc = 5V; (15)Industrial temperature available; (16)Packages available: 40-pin DIP 44-pin PLCC 44-pin PQFP.
Diagrams

(China (Mainland))






